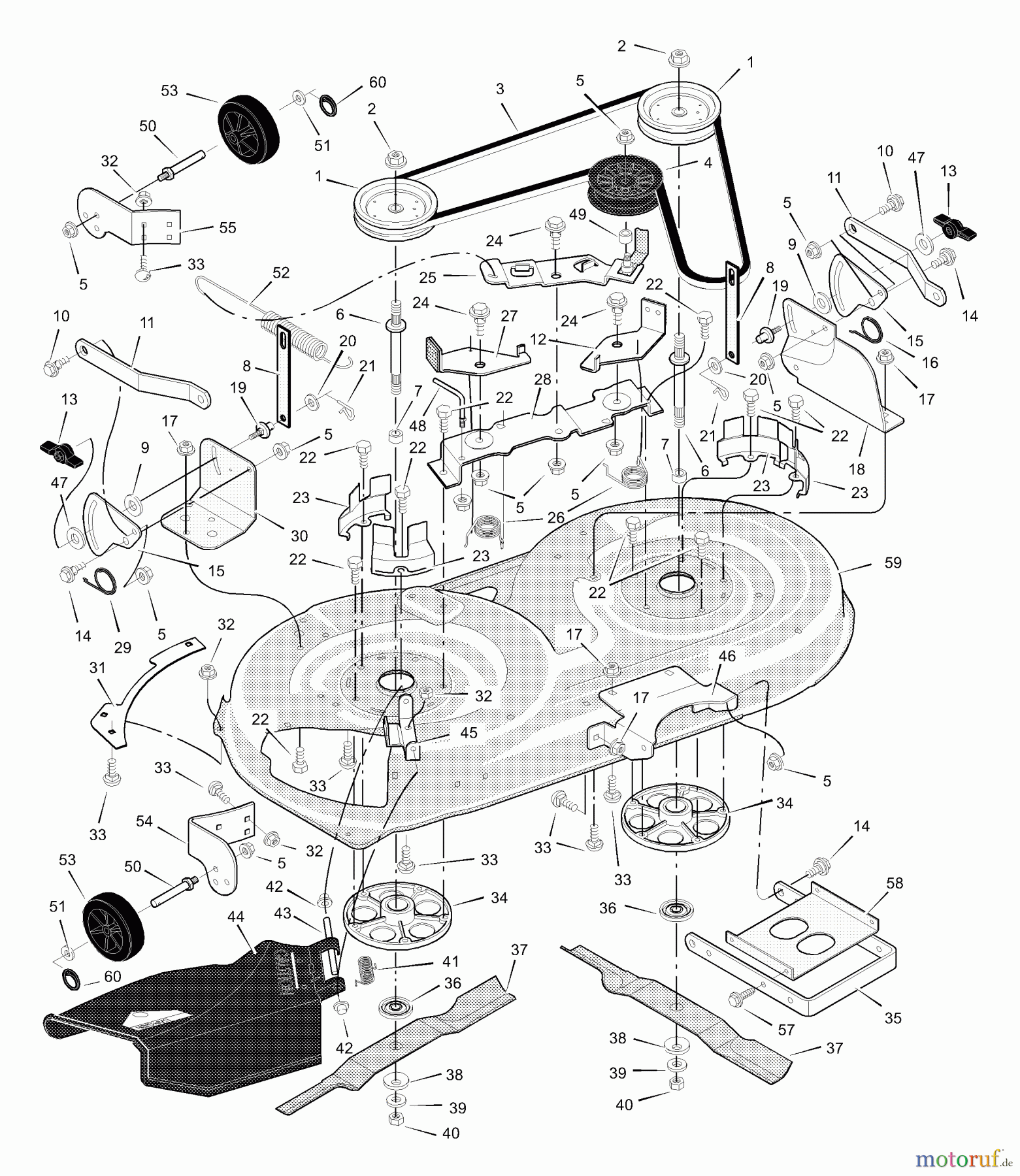
Murray 42590C - 42" Lawn Tractor (2000) Mower Housing Ersatzteile
Mower Housing 42590C - Murray 42" Lawn Tractor (2000)

Hier finden Sie die Ersatzteilzeichnung für Murray Rasen- und Gartentraktoren 42590C - Murray 42" Lawn Tractor (2000) Mower Housing. Wählen Sie das benötigte Ersatzteil aus der Ersatzteilliste Ihres Murray Gerätes aus und bestellen Sie einfach online. Viele Murray Ersatzteile halten wir ständig in unserem Lager für Sie bereit.


Qualitätsmanagement
Informieren Sie uns, wenn Sie einen Fehler gefunden haben.








