Einstellungen Computer

Murray 42571x8C - Scotts 42" Lawn Tractor (2001) (Home Depot) Motion Drive Ersatzteile

Motion Drive 42571x8C - Scotts 42" Lawn Tractor (2001) (Home Depot)

 Murray Rasen- und Gartentraktoren 42571x8C - Scotts 42

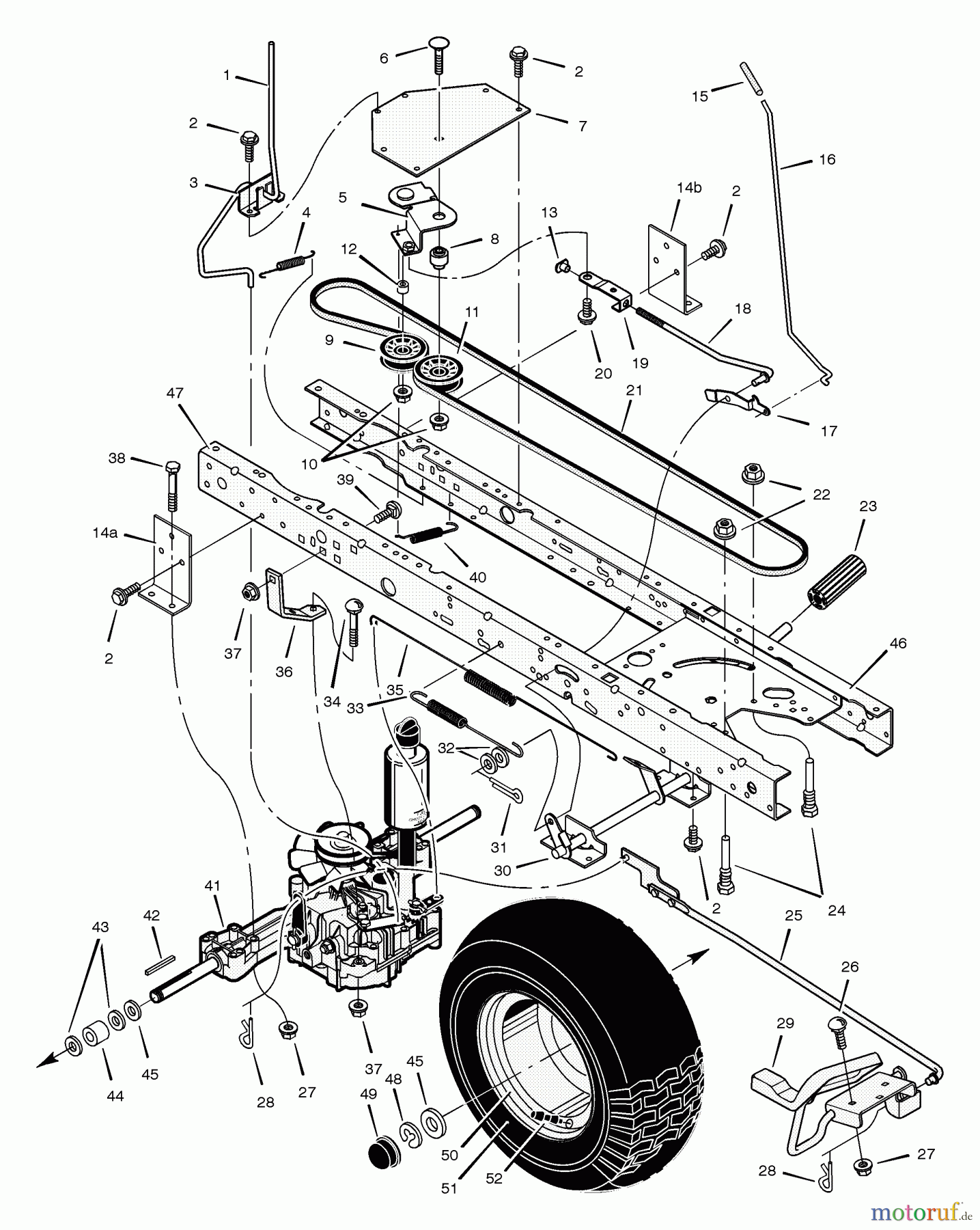
Hier finden Sie die Ersatzteilzeichnung für Murray Rasen- und Gartentraktoren 42571x8C - Scotts 42" Lawn Tractor (2001) (Home Depot) Motion Drive. Wählen Sie das benötigte Ersatzteil aus der Ersatzteilliste Ihres Murray Gerätes aus und bestellen Sie einfach online. Viele Murray Ersatzteile halten wir ständig in unserem Lager für Sie bereit.

BildNrArtikel NummerBezeichnung
1 BS1001025 Z
2 BS26X249MASCREW-.312-18X.75
3 BS690237 Z
4 Murray SPRING-EXTENSIONBS165X92MASPRING-EXTENSION
5 BS1001018ZMASPANNARM KOMPL.
6 BS002X92MABOLT - CARRIAGE
7 BS1001005E701
8 BS1001012MAPIVOT BUSHING
9 BS690410MAIDLER PULLEY - 3.0 DI
10 BS015X98MAMUTTER.38-16 FLANSCHARRETIERUN
11 BS690409MAIDLER PULLEY - 2.75 D
12 BS690369MASPACER 1/2'' TO 17 MM
13 BS1001014MANUT - TEE
14A BS094184E701MAHALTERUNG - T/A RECHTS
14B BS094185E701MABRACKET T/A L.H.
15 BS091079MAGRIP-BLACK .207 ID X
16 BS095005ZMAHANDBREMSHEBEL
17 BS094045ZMASPERRRIEGEL-PARKBREMSE
18 BS1001013ZMAGETRIEBEGESTANGE
19 BS1001007ZMALINK - CLUTCH
20 BS009X49MABOLT,SHD .38-16X.499
21 BS37X106MAV-BELT
22 BS015X79MANUT.31-18 FLANGELOCK
23 BS021544MACLUTCH & BRAKE PEDAL
24 BS094384MAGUIDE SCREW - YELLOW
25 BS1001015
26 BS002X53MABOLT,CRG .31-18 X 0.
27 Murray NUT,CENTERLOCK  Z  .3BS015X88MANUT,CENTERLOCK Z .3
28 BS0031X4MAPIN, HAIR .56D - .09
29 BS1001231
30 BS1001011
31 BS030X20MAPIN-COTTER.09D-.750L
32 BS017X48MAWASHER.39.75 13G FLT
33 Murray SPRING-EXTENSIONBS165X92MASPRING-EXTENSION
34 BS002X88MABOLT-CARRIAGE
35 BS165X150MASPRING - BRAKE
36 BS1001004E701
37 BS015X84MAMUTTER, CENTERLOCK .38-
38 BS01X155MABOLT-HEX.31-18X2.50 P
39 BS002X78MASCHLOSSSCHRAUBE
40 BS165X144MASPRING - CLUTCH
41 BSEingangswelle UE 600
42 BS021553MAVIERKANTSCHLUSSEL- 3/16
43 BS17X160MAWASHER.76-1.2 16G FL
44 BS1001043ZMADISTANZRING, GETRIEBE
45 BS17X195MAUNTERLEGSCHEIBE
46 BS1001269E701MARAIL-FRAME LH
47 BS1001124E700
48 BS011X23MARING, E 1.00D - .050
49 Murray HUB CAPBS094618MAHUB CAP
50 BS092290601MA20X8.00 RAD ASSY II
51 BS407926MATIRE 20X8.00TS SE
-- BS407049MAINNER TUBE-18X9.5 SE
52 BS024373MAVENTIL STM&CP,TR41 SE
Rasen
Bankeinzug, MasterCard, Visa, American Express, PayPal, Nachnahme, Vorauskasse, Sofortüberweisung
Datenschutzerklärung Impressum
Qualitätsmanagement
Informieren Sie uns, wenn Sie einen Fehler gefunden haben.