Murray 425613x8A - Scotts 42" Lawn Tractor (2002) (Home Depot) Steering Ersatzteile
Steering 425613x8A - Scotts 42" Lawn Tractor (2002) (Home Depot)

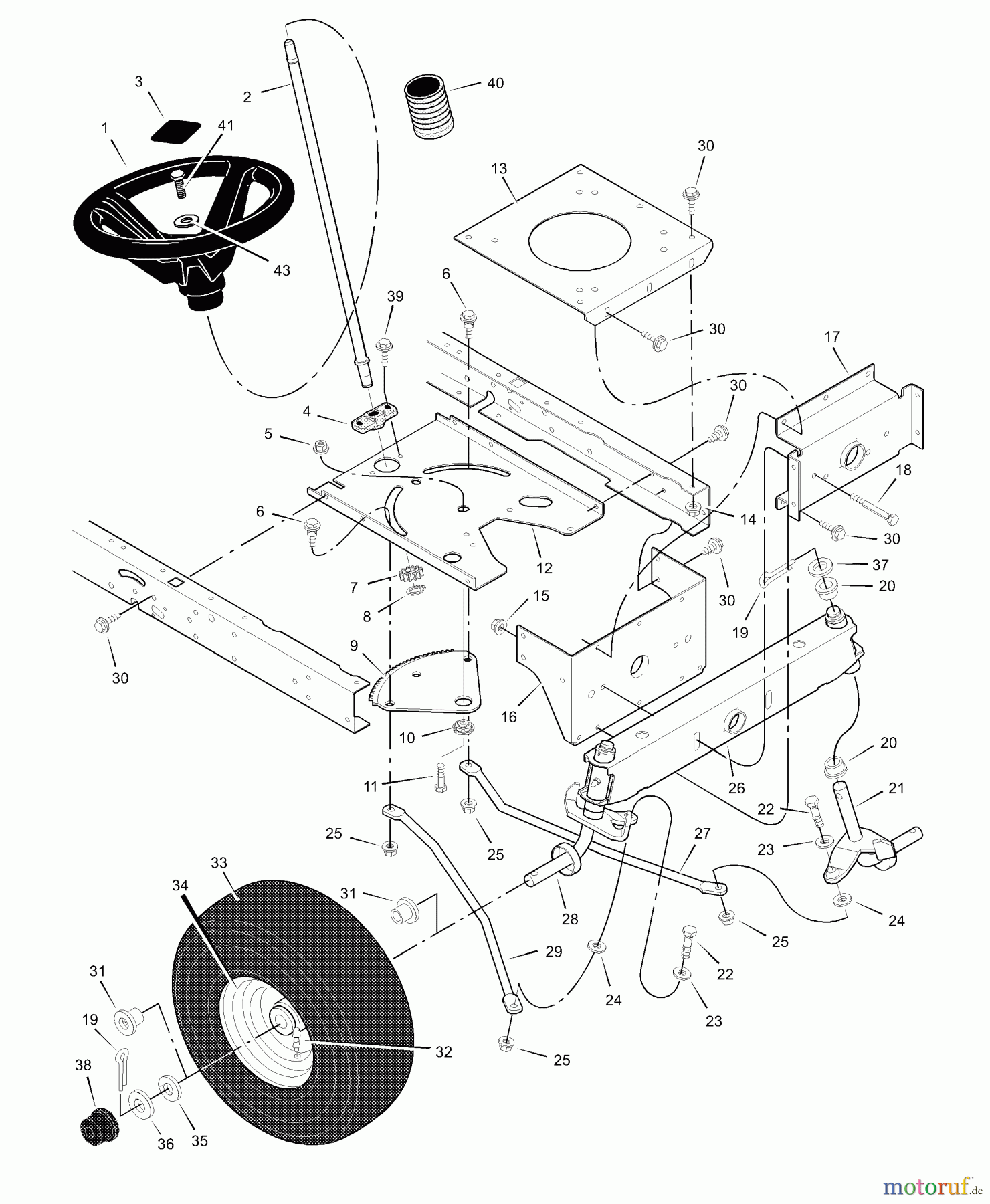
Hier finden Sie die Ersatzteilzeichnung für Murray Rasen- und Gartentraktoren 425613x8A - Scotts 42" Lawn Tractor (2002) (Home Depot) Steering. Wählen Sie das benötigte Ersatzteil aus der Ersatzteilliste Ihres Murray Gerätes aus und bestellen Sie einfach online. Viele Murray Ersatzteile halten wir ständig in unserem Lager für Sie bereit.





