Murray 405618x81A - Yard King 40" Lawn Tractor (2001) Chassis & Hood Ersatzteile
Chassis & Hood 405618x81A - Yard King 40" Lawn Tractor (2001)

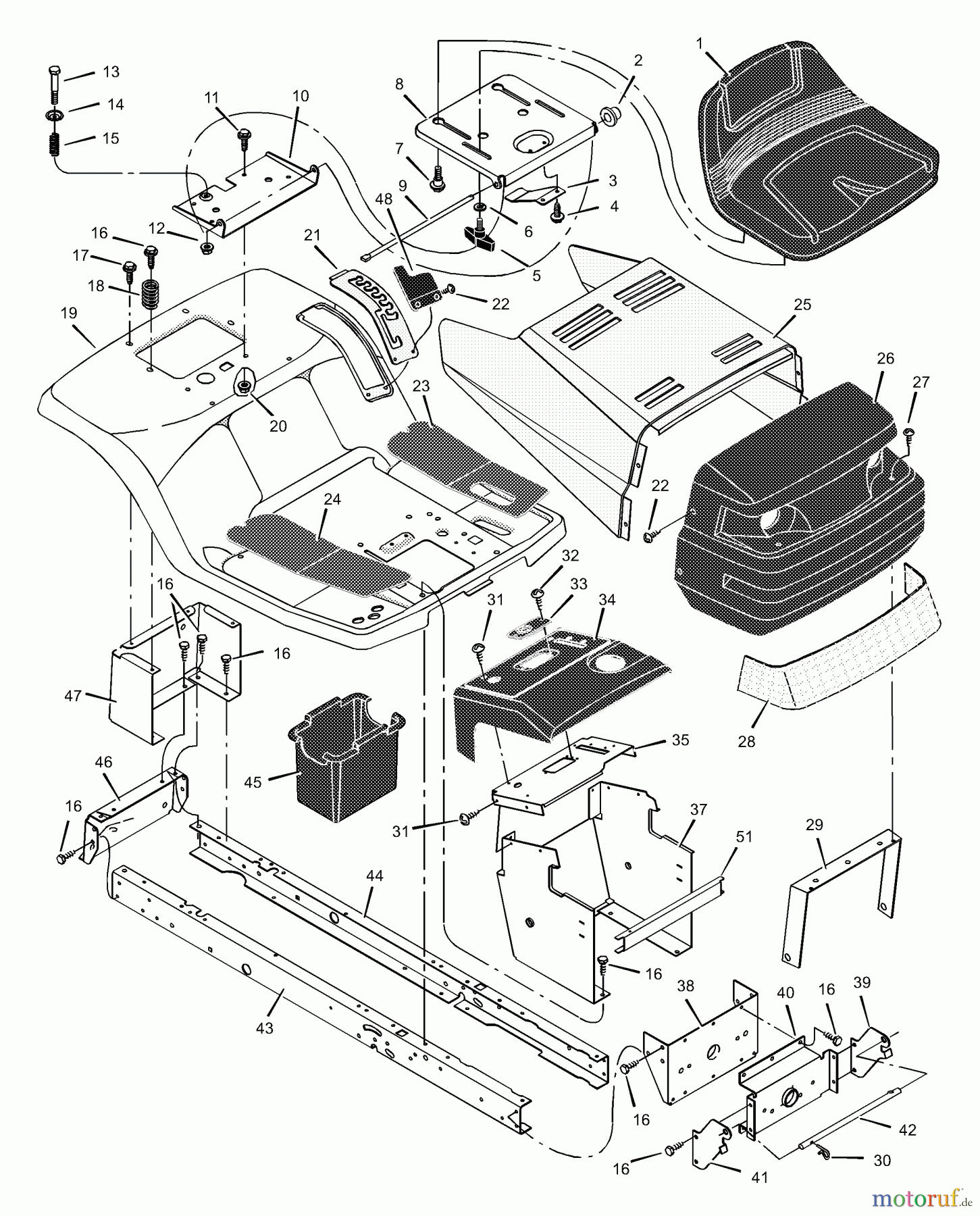
Hier finden Sie die Ersatzteilzeichnung für Murray Rasen- und Gartentraktoren 405618x81A - Yard King 40" Lawn Tractor (2001) Chassis & Hood. Wählen Sie das benötigte Ersatzteil aus der Ersatzteilliste Ihres Murray Gerätes aus und bestellen Sie einfach online. Viele Murray Ersatzteile halten wir ständig in unserem Lager für Sie bereit.


Qualitätsmanagement
Informieren Sie uns, wenn Sie einen Fehler gefunden haben.


