Murray 405030x48B - B&S/ 40" Lawn Tractor (2004) (Mills) Electrical System Ersatzteile
Electrical System 405030x48B - B&S/Murray 40" Lawn Tractor (2004) (Mills)

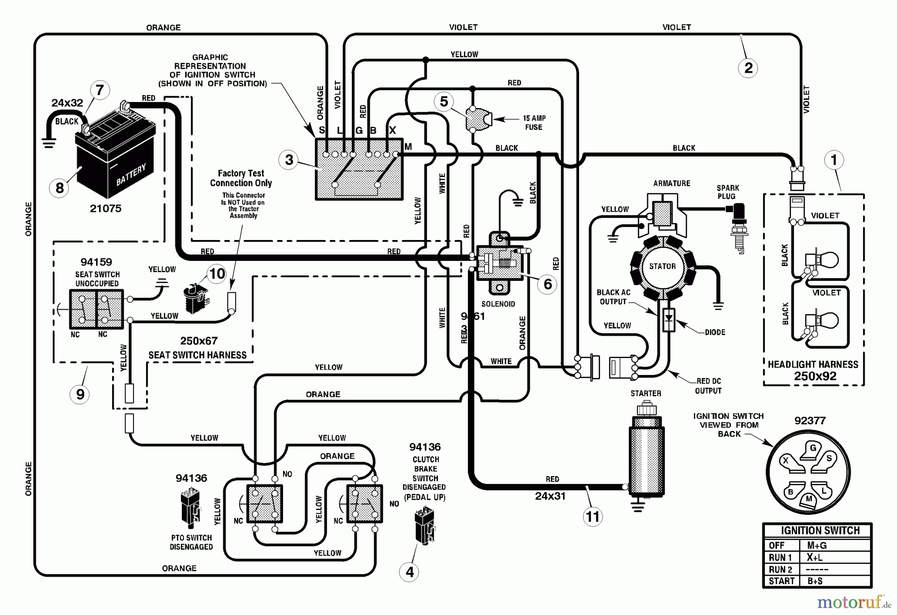
Hier finden Sie die Ersatzteilzeichnung für Murray Rasen- und Gartentraktoren 405030x48B - B&S/Murray 40" Lawn Tractor (2004) (Mills) Electrical System. Wählen Sie das benötigte Ersatzteil aus der Ersatzteilliste Ihres Murray Gerätes aus und bestellen Sie einfach online. Viele Murray Ersatzteile halten wir ständig in unserem Lager für Sie bereit.


Qualitätsmanagement
Informieren Sie uns, wenn Sie einen Fehler gefunden haben.

