Murray 405014x92A - B&S/ 40" Lawn Tractor (2002) (Walmart) Chassis & Hood Ersatzteile
Chassis & Hood 405014x92A - B&S/Murray 40" Lawn Tractor (2002) (Walmart)

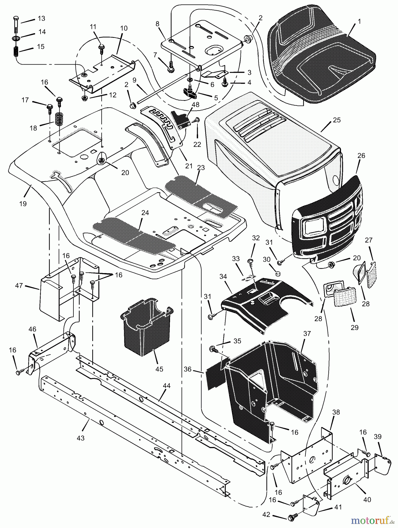
Hier finden Sie die Ersatzteilzeichnung für Murray Rasen- und Gartentraktoren 405014x92A - B&S/Murray 40" Lawn Tractor (2002) (Walmart) Chassis & Hood. Wählen Sie das benötigte Ersatzteil aus der Ersatzteilliste Ihres Murray Gerätes aus und bestellen Sie einfach online. Viele Murray Ersatzteile halten wir ständig in unserem Lager für Sie bereit.




