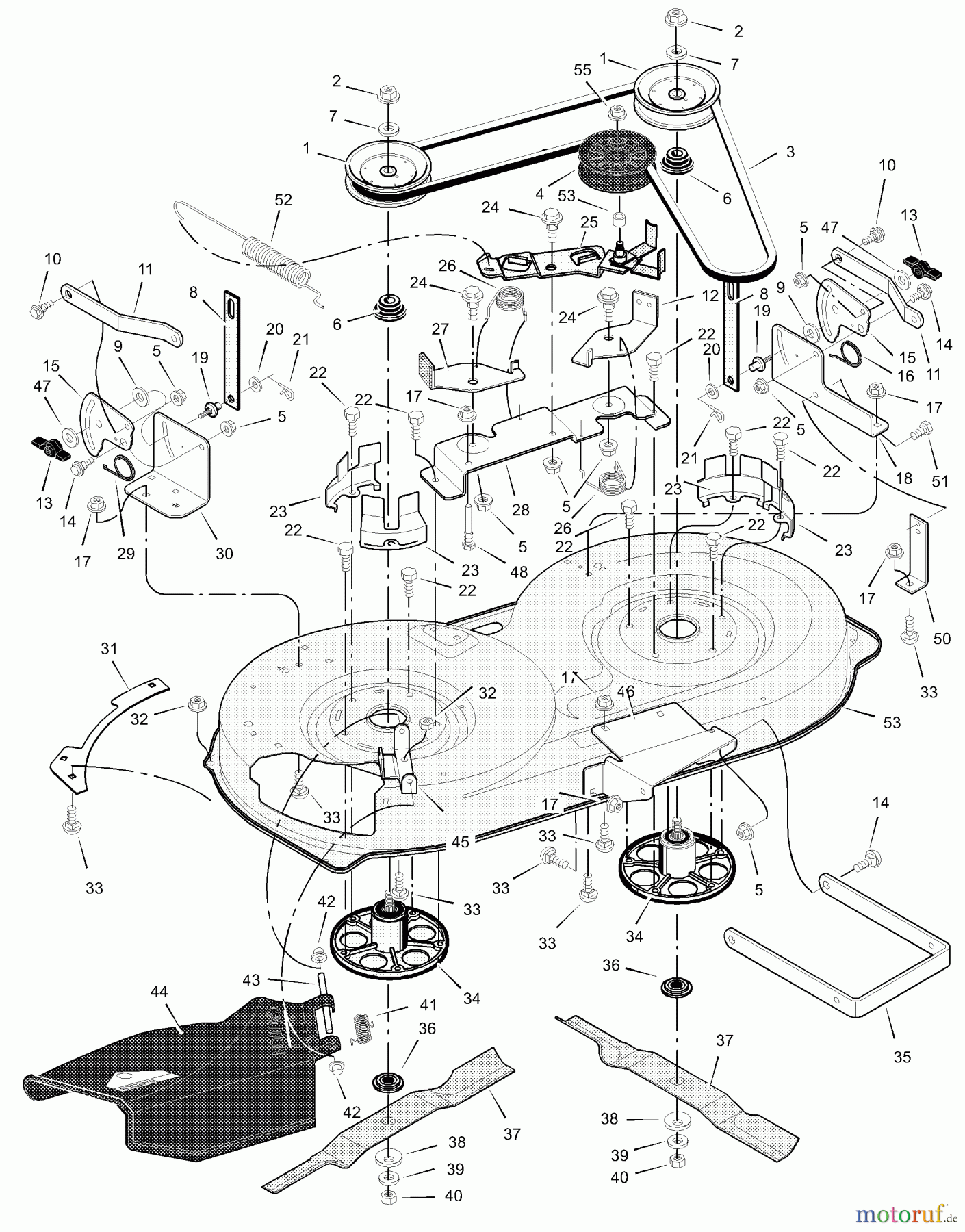
Murray 405002x31A - Scotts 40" Lawn Tractor (2002) (Home Depot) Mower Housing Ersatzteile
Mower Housing 405002x31A - Scotts 40" Lawn Tractor (2002) (Home Depot)

Hier finden Sie die Ersatzteilzeichnung für Murray Rasen- und Gartentraktoren 405002x31A - Scotts 40" Lawn Tractor (2002) (Home Depot) Mower Housing. Wählen Sie das benötigte Ersatzteil aus der Ersatzteilliste Ihres Murray Gerätes aus und bestellen Sie einfach online. Viele Murray Ersatzteile halten wir ständig in unserem Lager für Sie bereit.


Qualitätsmanagement
Informieren Sie uns, wenn Sie einen Fehler gefunden haben.







