Murray 387002x92C - B&S/ 38" Lawn Tractor (2005) (Walmart) Electrical System Ersatzteile
Electrical System 387002x92C - B&S/Murray 38" Lawn Tractor (2005) (Walmart)

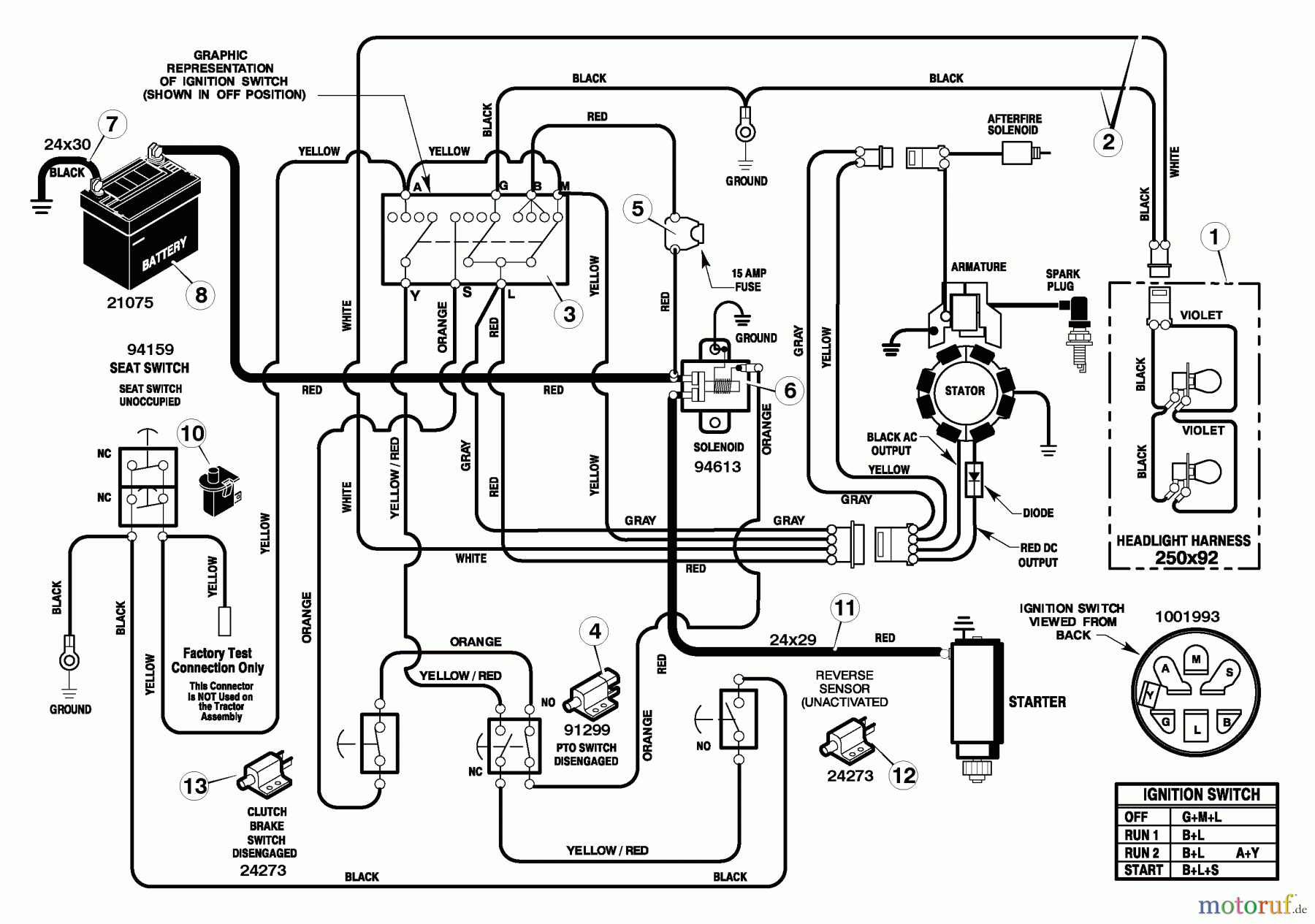
Hier finden Sie die Ersatzteilzeichnung für Murray Rasen- und Gartentraktoren 387002x92C - B&S/Murray 38" Lawn Tractor (2005) (Walmart) Electrical System. Wählen Sie das benötigte Ersatzteil aus der Ersatzteilliste Ihres Murray Gerätes aus und bestellen Sie einfach online. Viele Murray Ersatzteile halten wir ständig in unserem Lager für Sie bereit.



