Jonsered FR2111 M (965190201) - Rear-Engine Riding Mower (2010-07) TRANSMISSION Ersatzteile
TRANSMISSION FR2111 M (965190201) - Jonsered Rear-Engine Riding Mower (2010-07)

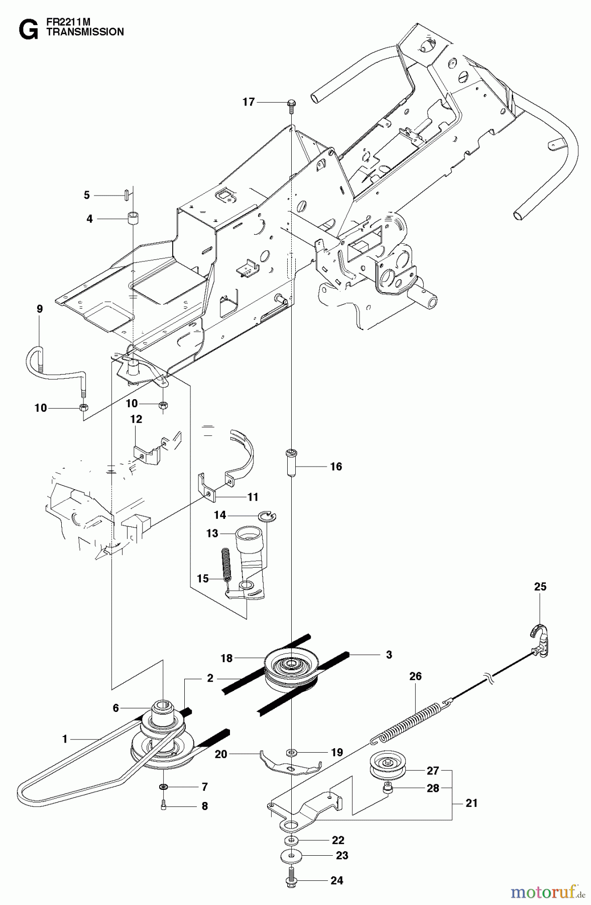
Hier finden Sie die Ersatzteilzeichnung für Jonsered Reitermäher FR2111 M (965190201) - Jonsered Rear-Engine Riding Mower (2010-07) TRANSMISSION. Wählen Sie das benötigte Ersatzteil aus der Ersatzteilliste Ihres Jonsered Gerätes aus und bestellen Sie einfach online. Viele Jonsered Ersatzteile halten wir ständig in unserem Lager für Sie bereit.







