Jonsered HT24 - Hedge Trimmer (1995-03) ENGINE #2 Ersatzteile
ENGINE #2 HT24 - Jonsered Hedge Trimmer (1995-03)

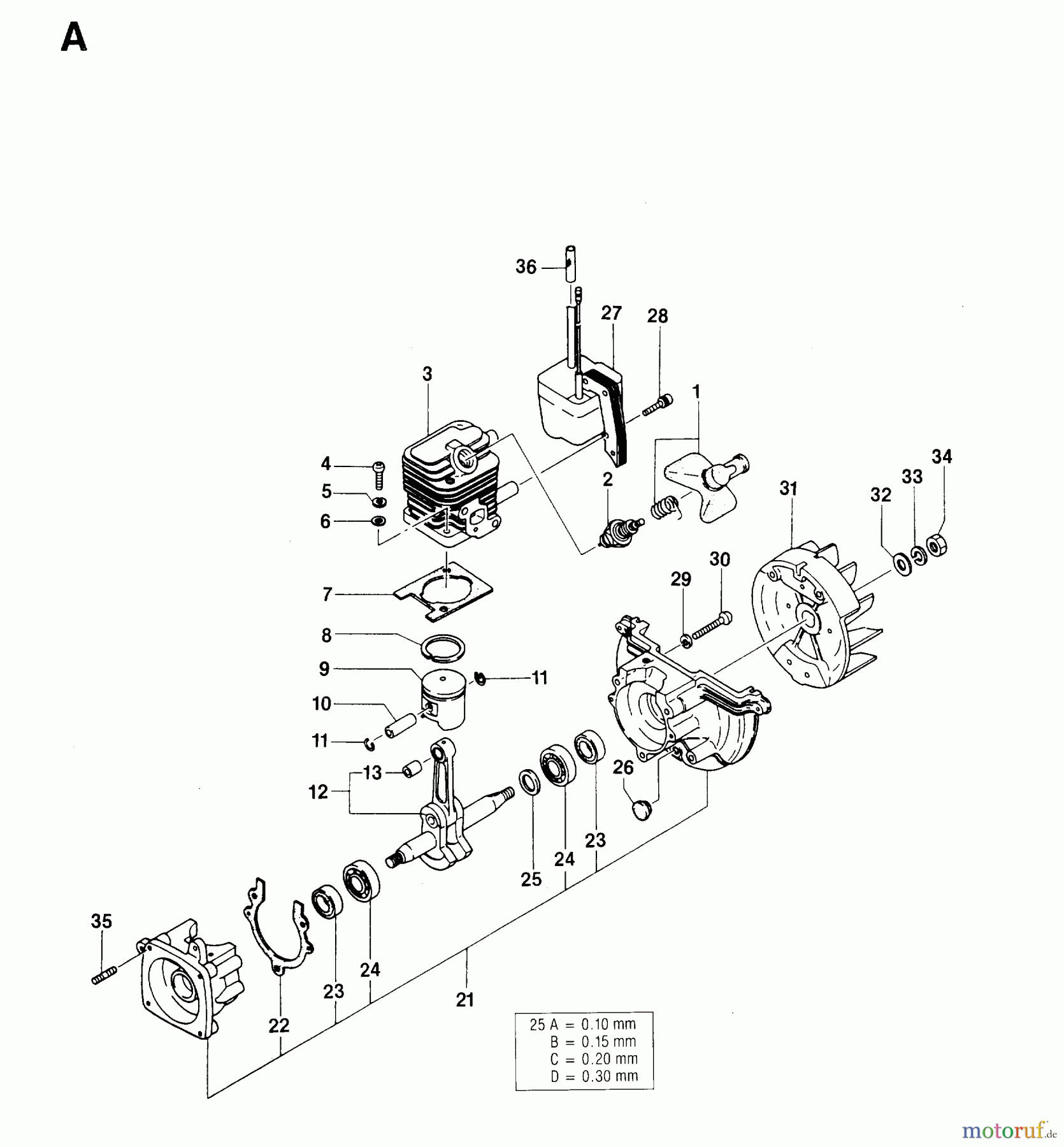
Hier finden Sie die Ersatzteilzeichnung für Jonsered Heckenscheren HT24 - Jonsered Hedge Trimmer (1995-03) ENGINE #2. Wählen Sie das benötigte Ersatzteil aus der Ersatzteilliste Ihres Jonsered Gerätes aus und bestellen Sie einfach online. Viele Jonsered Ersatzteile halten wir ständig in unserem Lager für Sie bereit.




