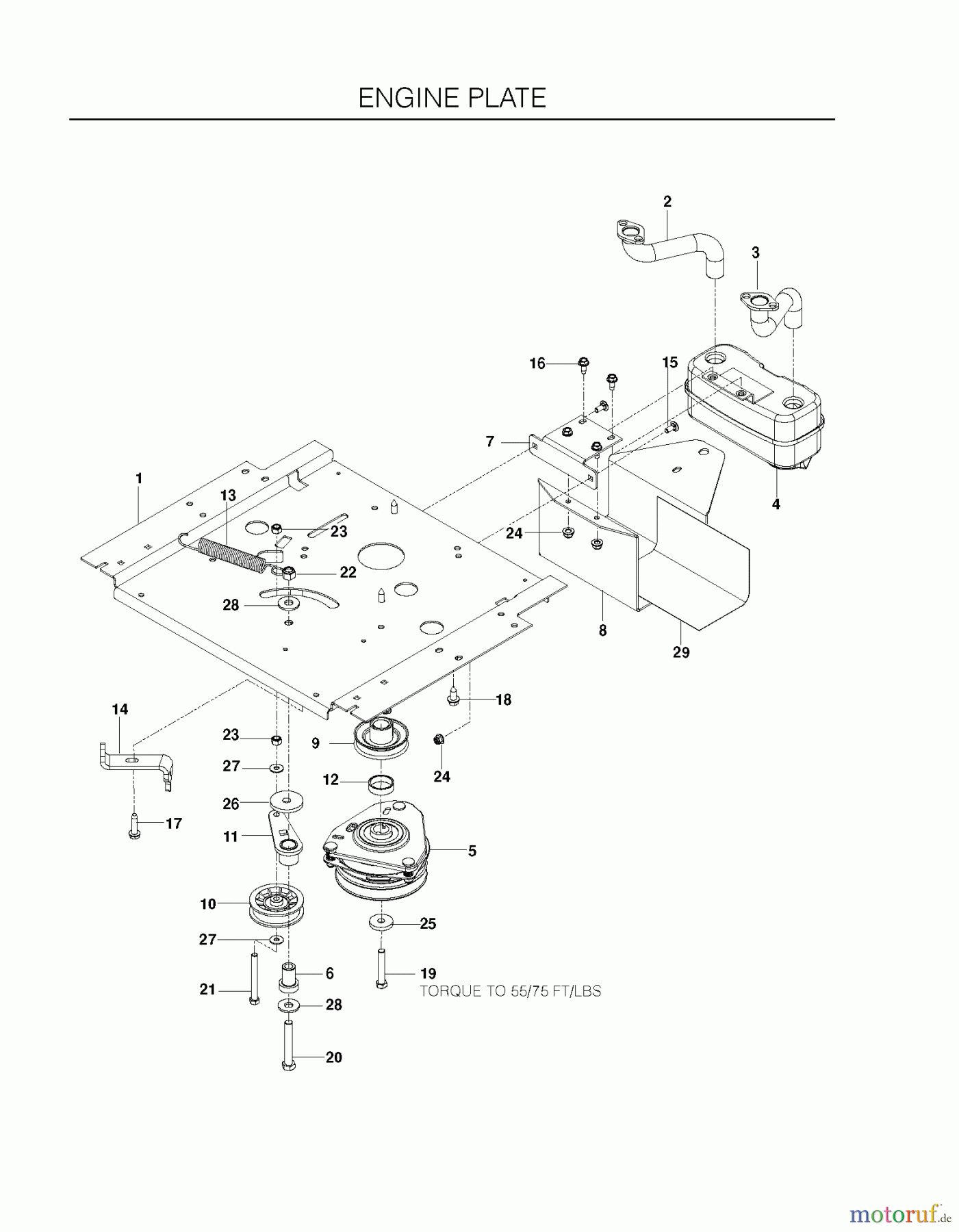
Husqvarna EZ 4824 (966612901) - Zero-Turn Mower (2011-10 & After) ENGINE PLATE Ersatzteile
ENGINE PLATE EZ 4824 (966612901) - Husqvarna Zero-Turn Mower (2011-10 & After)

Hier finden Sie die Ersatzteilzeichnung für Husqvarna Nullwendekreismäher, Zero-Turn EZ 4824 (966612901) - Husqvarna Zero-Turn Mower (2011-10 & After) ENGINE PLATE. Wählen Sie das benötigte Ersatzteil aus der Ersatzteilliste Ihres Husqvarna Gerätes aus und bestellen Sie einfach online. Viele Husqvarna Ersatzteile halten wir ständig in unserem Lager für Sie bereit.




