Husqvarna 56 CS (954069001A) - Walk-Behind Mower (1994-07 & After) Repair Parts (A) Ersatzteile
Repair Parts (A) 56 CS (954069001A) - Husqvarna Walk-Behind Mower (1994-07 & After)

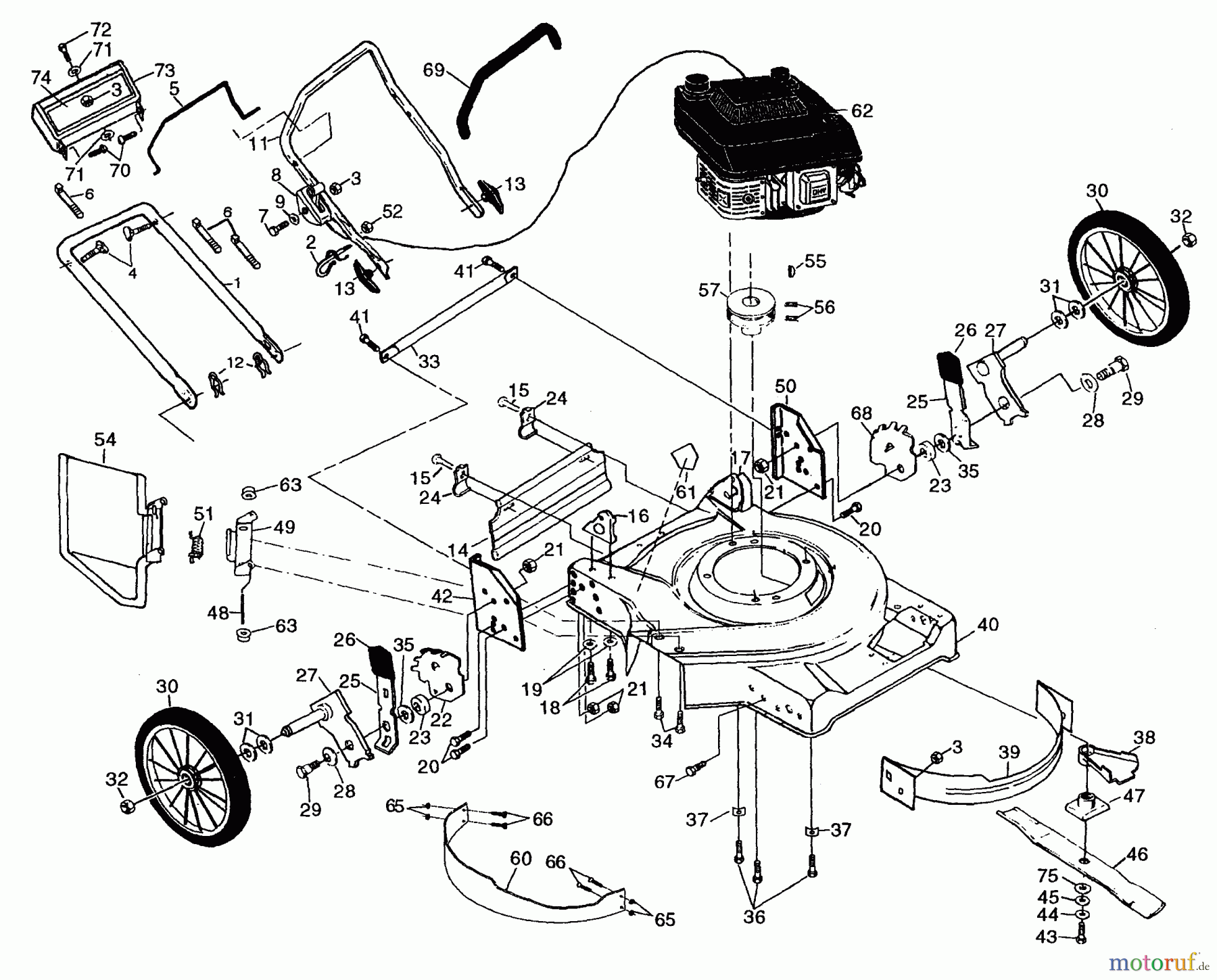
Hier finden Sie die Ersatzteilzeichnung für Husqvarna Rasenmäher 56 CS (954069001A) - Husqvarna Walk-Behind Mower (1994-07 & After) Repair Parts (A). Wählen Sie das benötigte Ersatzteil aus der Ersatzteilliste Ihres Husqvarna Gerätes aus und bestellen Sie einfach online. Viele Husqvarna Ersatzteile halten wir ständig in unserem Lager für Sie bereit.









