Husqvarna Rider 1200-14 - Rear-Engine Rider (1991-03 & After) Starter Cover Ersatzteile
Starter Cover Rider 1200-14 - Husqvarna Rear-Engine Rider (1991-03 & After)

Hier finden Sie die Ersatzteilzeichnung für Husqvarna Reitermäher, Motor hinten Rider 1200-14 - Husqvarna Rear-Engine Rider (1991-03 & After) Starter Cover. Wählen Sie das benötigte Ersatzteil aus der Ersatzteilliste Ihres Husqvarna Gerätes aus und bestellen Sie einfach online. Viele Husqvarna Ersatzteile halten wir ständig in unserem Lager für Sie bereit.
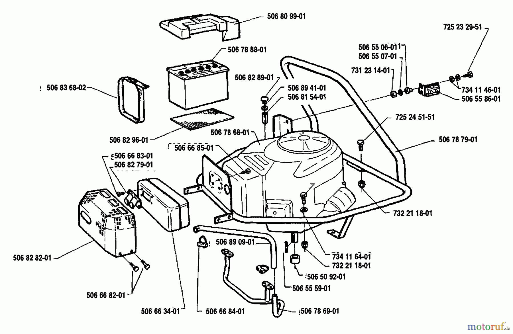
| BildNr | Artikel Nummer | Bezeichnung | |
| 506836802 | 506 83 68-02 | RIEMEN | |
| 506829601 | 506 82 96-01 | MATTE | |
| 506668301 | 506 79 45-01 | SCHRAUBE | |
| 506827901 | 506 82 79-01 | ROHR | |
| 506668501 | 506 66 85-01 | SCHRAUBE | |
| 506786801 | 506786801 | ||
| 506828201 | 506 82 82-01 | SCHUTZ | |
| 506668201 | 725 23 64-61 | SCHRAUBE | |
| 506663401 | 506 66 34-01 | SCHALLDÄMPFER | |
| 506668401 | 506 66 84-01 | KLAMMER | |
| 506890901 | 506 89 09-01 | ROHR | |
| 506555901 | 506 55 59-01 | Keil | |
| 506786901 | 506 78 69-01 | ROHR | |
| 734116401 | 734 11 64-01 | SCHEIBE | |
| 732211801 | ![]() | 732 21 18-01 | MUTTER |
| 506509201 | 506 50 92-01 | ABSTANDHÜLSE | |
| 506787901 | 506 78 79-01 | SUPPORT | |
| 725245151 | 725 24 51-51 | Schraube 8X20 | |
| 506815401 | 506 81 54-01 | HUELSE | |
| 506894101 | 506 89 41-01 | SCHEIBE | |
| 506558601 | ![]() | 506 55 86-01 | REGLERSCHALTER |
| 734114601 | 819 07 08-16 | SCHEIBE | |
| 725232951 | 725 23 29-51 | SCHRAUBE | |
| 731231401 | ![]() | 731 23 14-01 | MUTTER |
| 506550701 | 506 55 07-01 | RING | |
| 506550501 | 506550501 | ||
| 506809901 | 506 80 99-01 | BATTERIEABDECKUNG | |
| 506788801 | 531031071 | ||
| 506828901 | 506 82 89-01 | PFROPFEN | |


Qualitätsmanagement
Informieren Sie uns, wenn Sie einen Fehler gefunden haben.




