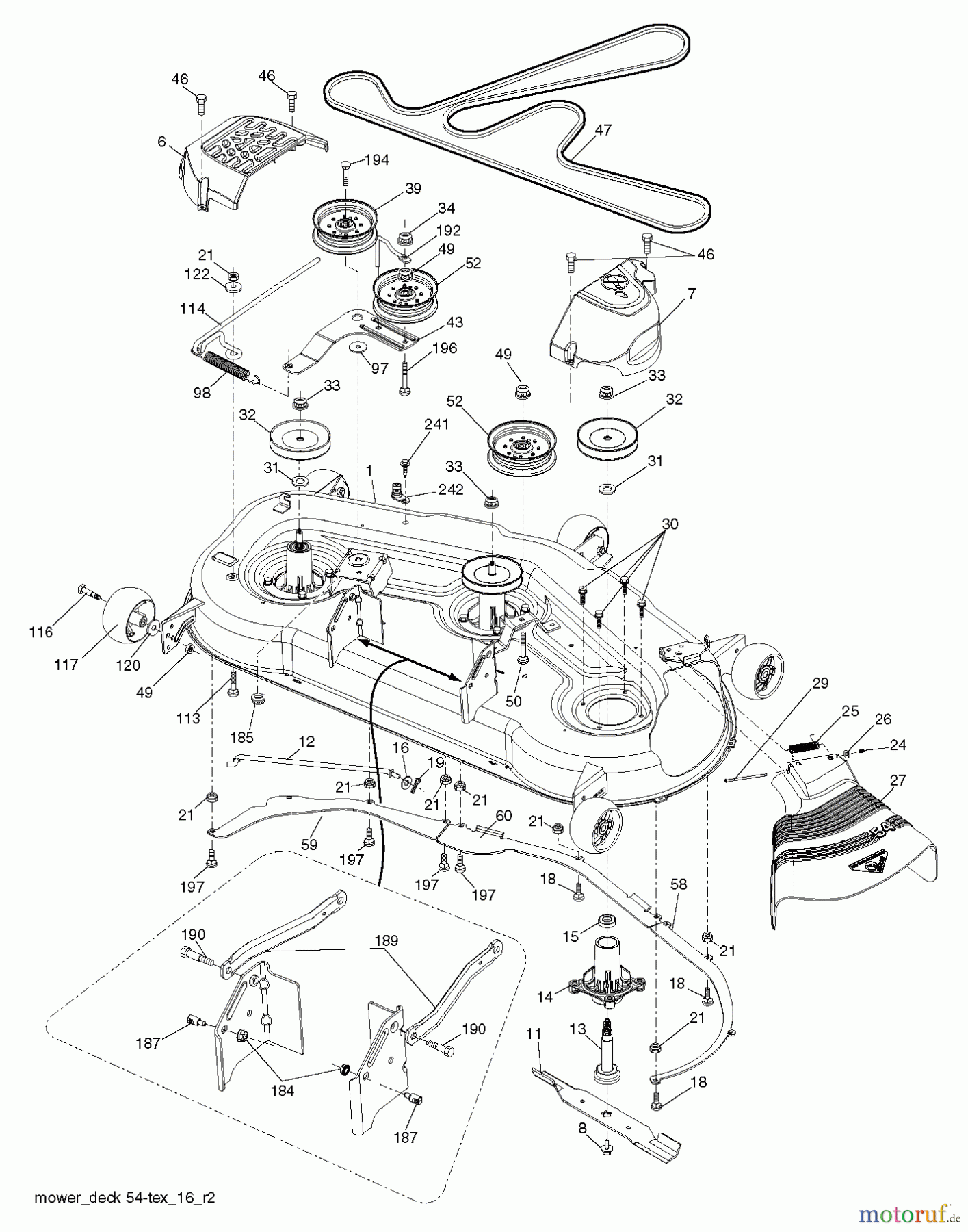
Husqvarna LGT 2654 (96045004000) - Lawn Tractor (2012-05 & After) MOWER DECK / CUTTING DECK Ersatzteile
MOWER DECK / CUTTING DECK LGT 2654 (96045004000) - Husqvarna Lawn Tractor (2012-05 & After)

Hier finden Sie die Ersatzteilzeichnung für Husqvarna Rasen und Garten Traktoren LGT 2654 (96045004000) - Husqvarna Lawn Tractor (2012-05 & After) MOWER DECK / CUTTING DECK. Wählen Sie das benötigte Ersatzteil aus der Ersatzteilliste Ihres Husqvarna Gerätes aus und bestellen Sie einfach online. Viele Husqvarna Ersatzteile halten wir ständig in unserem Lager für Sie bereit.


















