Husqvarna GTH 200 (954001992) (954001122VA) - Garden Tractor (1995-03 & After) Mower Deck Ersatzteile
Mower Deck GTH 200 (954001992) (954001122VA) - Husqvarna Garden Tractor (1995-03 & After)

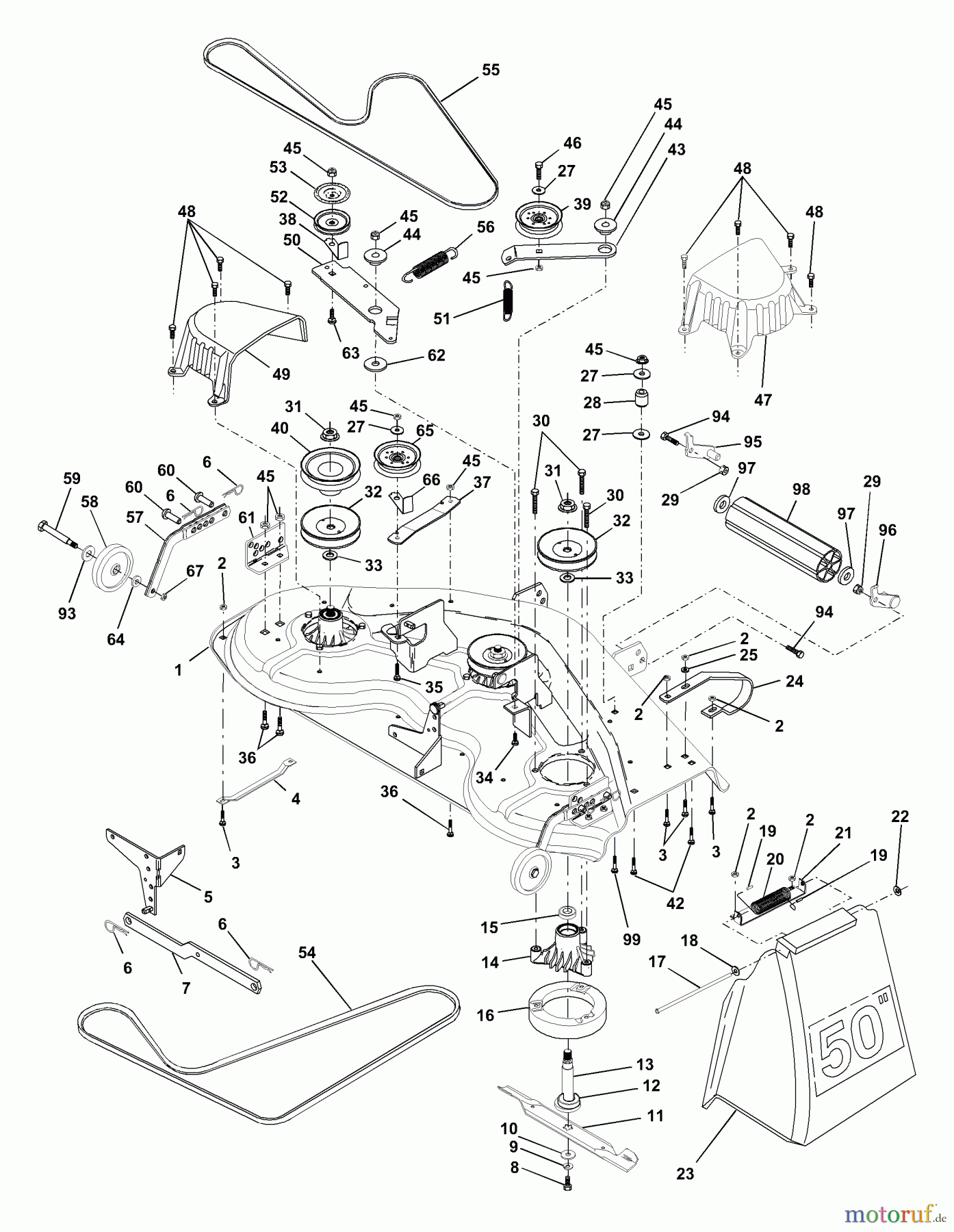
Hier finden Sie die Ersatzteilzeichnung für Husqvarna Rasen und Garten Traktoren GTH 200 (954001992) (954001122VA) - Husqvarna Garden Tractor (1995-03 & After) Mower Deck. Wählen Sie das benötigte Ersatzteil aus der Ersatzteilliste Ihres Husqvarna Gerätes aus und bestellen Sie einfach online. Viele Husqvarna Ersatzteile halten wir ständig in unserem Lager für Sie bereit.


Qualitätsmanagement
Informieren Sie uns, wenn Sie einen Fehler gefunden haben.















