Husqvarna 2748GLS (96043004600) - Lawn Tractor (2008-01 & After) Steering Assembly Ersatzteile
Steering Assembly 2748GLS (96043004600) - Husqvarna Lawn Tractor (2008-01 & After)

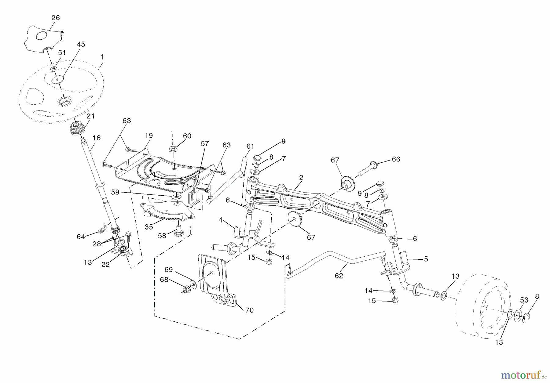
Hier finden Sie die Ersatzteilzeichnung für Husqvarna Rasen und Garten Traktoren 2748GLS (96043004600) - Husqvarna Lawn Tractor (2008-01 & After) Steering Assembly. Wählen Sie das benötigte Ersatzteil aus der Ersatzteilliste Ihres Husqvarna Gerätes aus und bestellen Sie einfach online. Viele Husqvarna Ersatzteile halten wir ständig in unserem Lager für Sie bereit.


Qualitätsmanagement
Informieren Sie uns, wenn Sie einen Fehler gefunden haben.










