Husqvarna 226 HS75 S - Hedge Trimmer (2013-02 & After) IGNITION SYSTEM Ersatzteile
IGNITION SYSTEM 226 HS75 S - Husqvarna Hedge Trimmer (2013-02 & After)

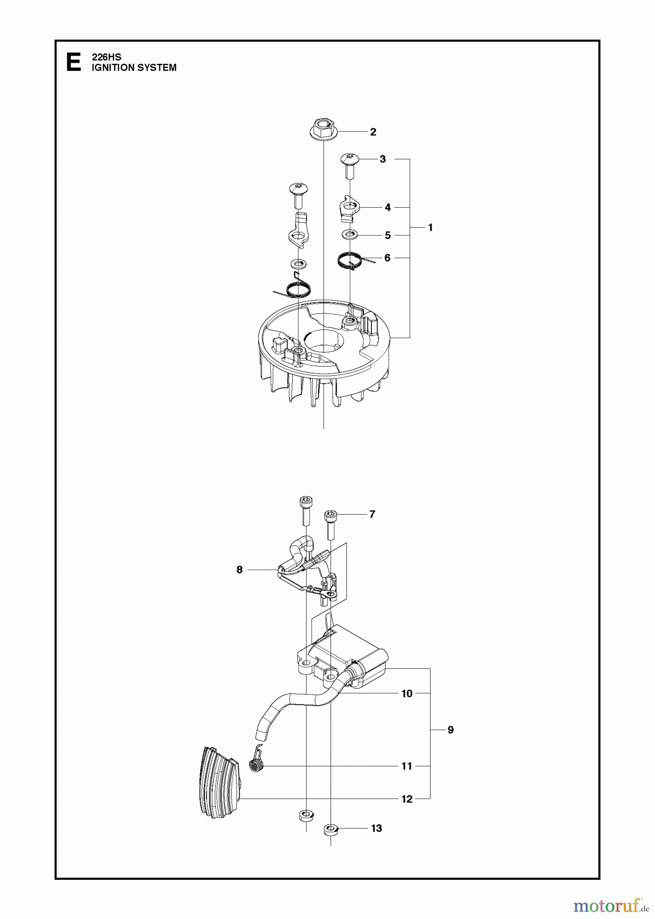
Hier finden Sie die Ersatzteilzeichnung für Husqvarna Heckenscheren 226 HS75 S - Husqvarna Hedge Trimmer (2013-02 & After) IGNITION SYSTEM. Wählen Sie das benötigte Ersatzteil aus der Ersatzteilliste Ihres Husqvarna Gerätes aus und bestellen Sie einfach online. Viele Husqvarna Ersatzteile halten wir ständig in unserem Lager für Sie bereit.
| BildNr | Artikel Nummer | Bezeichnung | |
| 1 | 506 65 60-01 | DREHKOERPER | |
| 2 | 516 43 74-01 | MUTTER | |
| 3 | 506 61 43-01 | SCHRAUBE | |
| 4 | 506 61 41-01 | SPERRE | |
| 5 | 506 61 44-01 | Scheibe | |
| 6 | 521 74 71-01 | Feder | |
| 7 | 506 74 57-01 | Bolzen | |
| 8 | 506 65 23-01 | LEITUNG | |
| 9 | 506 65 61-01 | SPULE | |
| 10 | 511351201 | ||
| 11 | 506 65 52-01 | FEDER | |
| 12 | 521 61 00-01 | ABDECKUNG | |
| 13 | 516 25 81-01 | Abstandsscheibe | |


Qualitätsmanagement
Informieren Sie uns, wenn Sie einen Fehler gefunden haben.

