Husqvarna 125 E - Handheld Edger (1993-04 to 2005-08) Crankcase Assembly Ersatzteile
Crankcase Assembly 125 E - Husqvarna Handheld Edger (1993-04 to 2005-08)

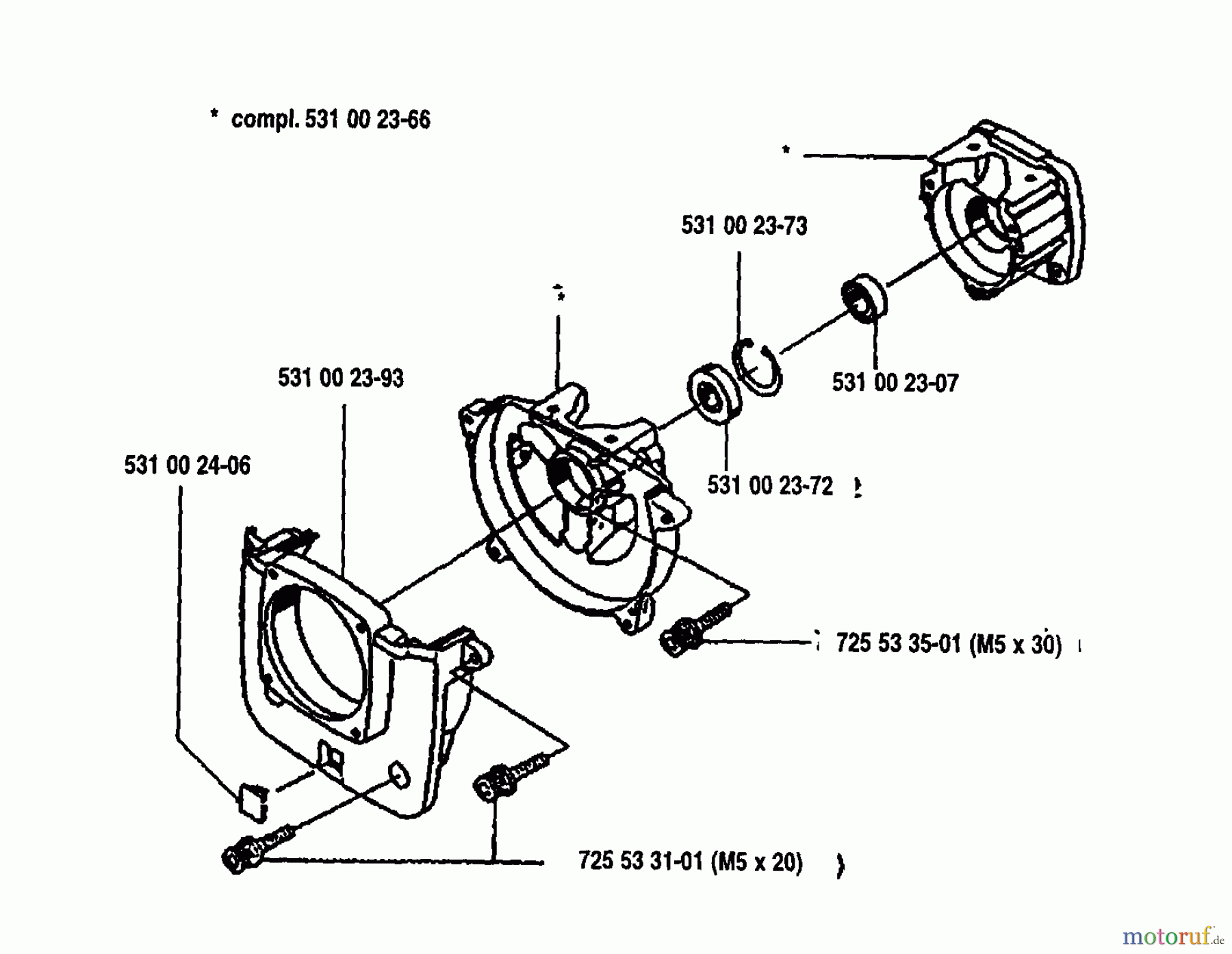
Hier finden Sie die Ersatzteilzeichnung für Husqvarna Kantenschneider 125 E - Husqvarna Handheld Edger (1993-04 to 2005-08) Crankcase Assembly. Wählen Sie das benötigte Ersatzteil aus der Ersatzteilliste Ihres Husqvarna Gerätes aus und bestellen Sie einfach online. Viele Husqvarna Ersatzteile halten wir ständig in unserem Lager für Sie bereit.
| BildNr | Artikel Nummer | Bezeichnung | |
| 531002368 | 531 00 23-68 | LAGER | |
| 531002393 | 531 00 23-93 | DECKEL | |
| 531002406 | 531 00 24-06 | PLUG | |
| 531002373 | 531 00 23-73 | FEDERRING | |
| 531002307 | 531002307 | ||
| 531002372 | 531 00 23-72 | DICHTUNGSRING | |
| 725533501 | 725 53 35-55 | SCHRAUBE | |
| 725533101 | 725 53 31-01 | SCHRAUBE | |



