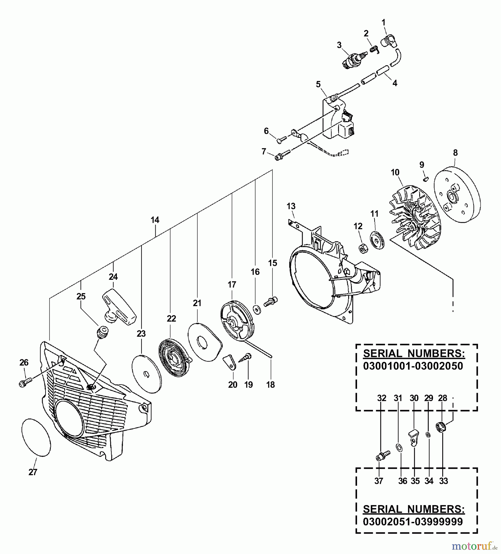
Echo CSG-680 - Cut-Off Saw, S/N: 03001001 - 03999999 Ignition, Starter Ersatzteile
Ignition, Starter CSG-680 - Echo Cut-Off Saw, S/N: 03001001 - 03999999

Hier finden Sie die Ersatzteilzeichnung für Echo Trennsägen CSG-680 - Echo Cut-Off Saw, S/N: 03001001 - 03999999 Ignition, Starter. Wählen Sie das benötigte Ersatzteil aus der Ersatzteilliste Ihres Echo Gerätes aus und bestellen Sie einfach online. Viele Echo Ersatzteile halten wir ständig in unserem Lager für Sie bereit.




