Echo CSG-6700 - Cut-Off Saw, S/N: 001001 - 002600 Starter Ersatzteile
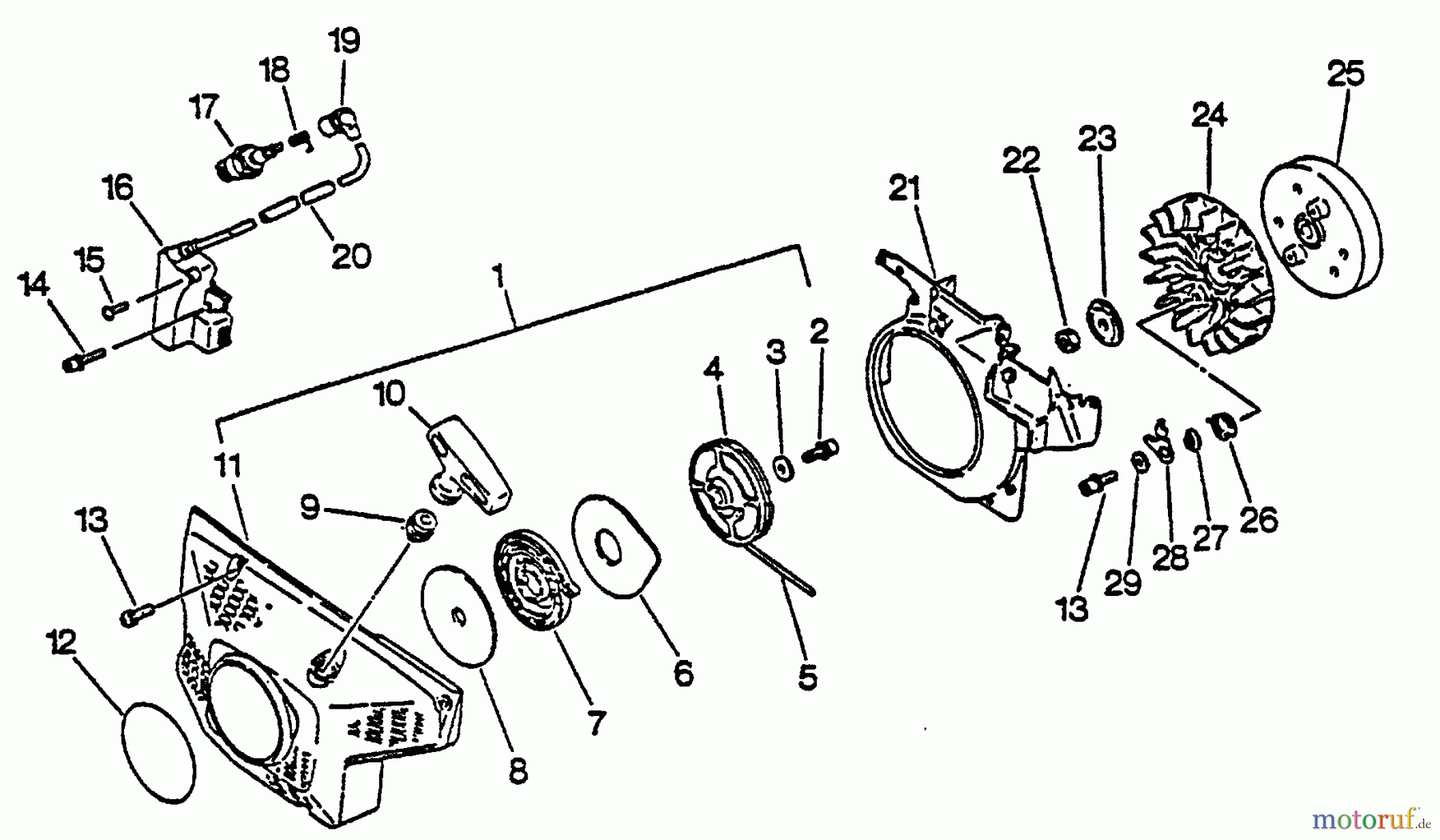
Starter CSG-6700 - Echo Cut-Off Saw, S/N: 001001 - 002600

Hier finden Sie die Ersatzteilzeichnung für Echo Trennsägen CSG-6700 - Echo Cut-Off Saw, S/N: 001001 - 002600 Starter. Wählen Sie das benötigte Ersatzteil aus der Ersatzteilliste Ihres Echo Gerätes aus und bestellen Sie einfach online. Viele Echo Ersatzteile halten wir ständig in unserem Lager für Sie bereit.


Qualitätsmanagement
Informieren Sie uns, wenn Sie einen Fehler gefunden haben.


