Echo CS-302S - Chainsaw, S/N: 17501 - 30500 Oiler, Auto Ersatzteile
Oiler, Auto CS-302S - Echo Chainsaw, S/N: 17501 - 30500

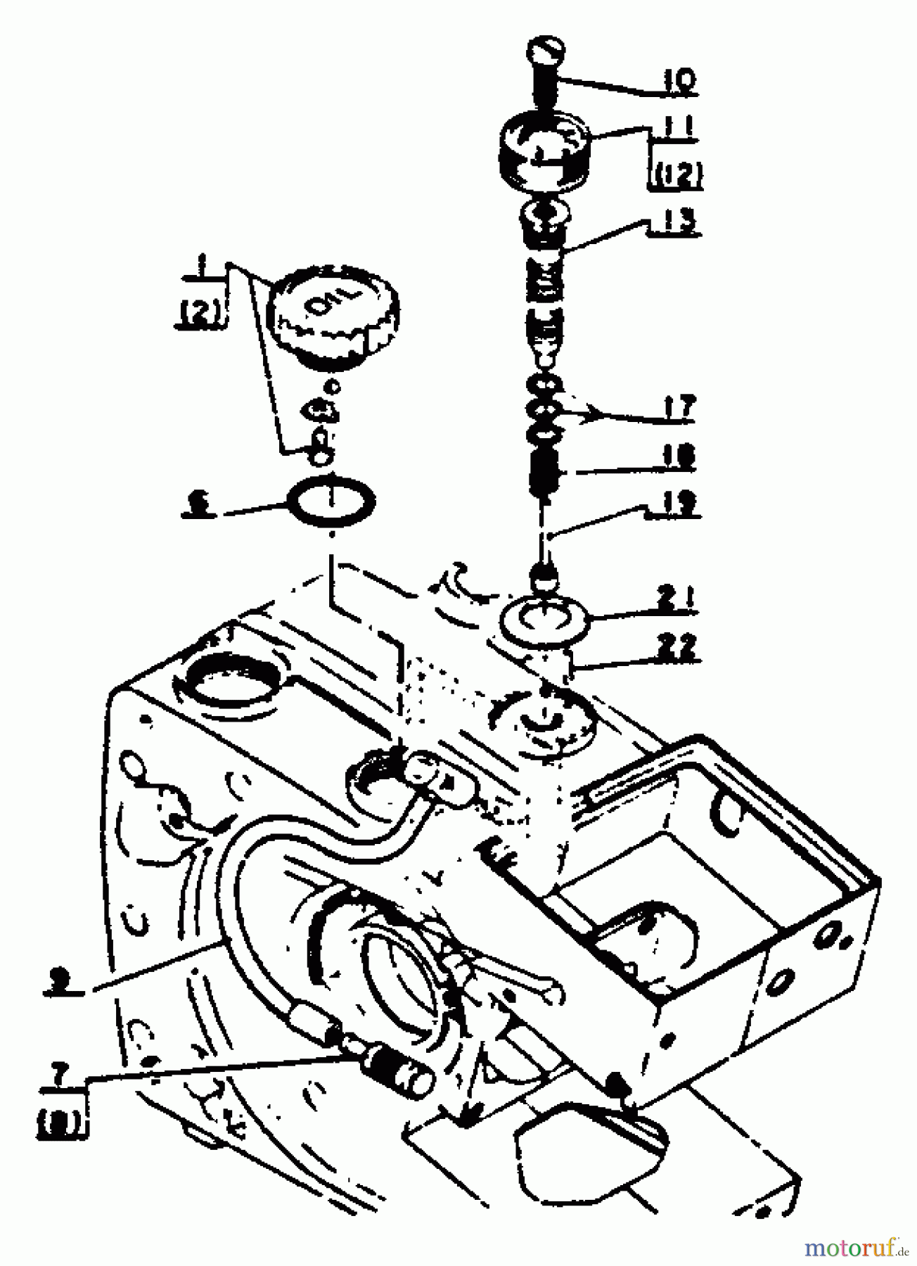
Hier finden Sie die Ersatzteilzeichnung für Echo Sägen, Kettensägen CS-302S - Echo Chainsaw, S/N: 17501 - 30500 Oiler, Auto. Wählen Sie das benötigte Ersatzteil aus der Ersatzteilliste Ihres Echo Gerätes aus und bestellen Sie einfach online. Viele Echo Ersatzteile halten wir ständig in unserem Lager für Sie bereit.


Qualitätsmanagement
Informieren Sie uns, wenn Sie einen Fehler gefunden haben.


