Echo HC-140 - Hedge Trimmer Carburetor Ersatzteile
Carburetor HC-140 - Echo Hedge Trimmer

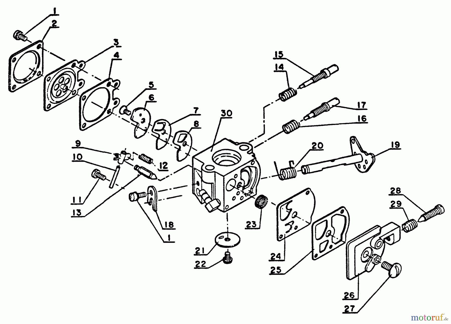
Hier finden Sie die Ersatzteilzeichnung für Echo Heckenscheren HC-140 - Echo Hedge Trimmer Carburetor. Wählen Sie das benötigte Ersatzteil aus der Ersatzteilliste Ihres Echo Gerätes aus und bestellen Sie einfach online. Viele Echo Ersatzteile halten wir ständig in unserem Lager für Sie bereit.


Qualitätsmanagement
Informieren Sie uns, wenn Sie einen Fehler gefunden haben.

