Echo PE-3100 - Edger (Type 1E) Driveshaft, Handles, Throttle, Stop Switch Ersatzteile
Driveshaft, Handles, Throttle, Stop Switch PE-3100 - Echo Edger (Type 1E)

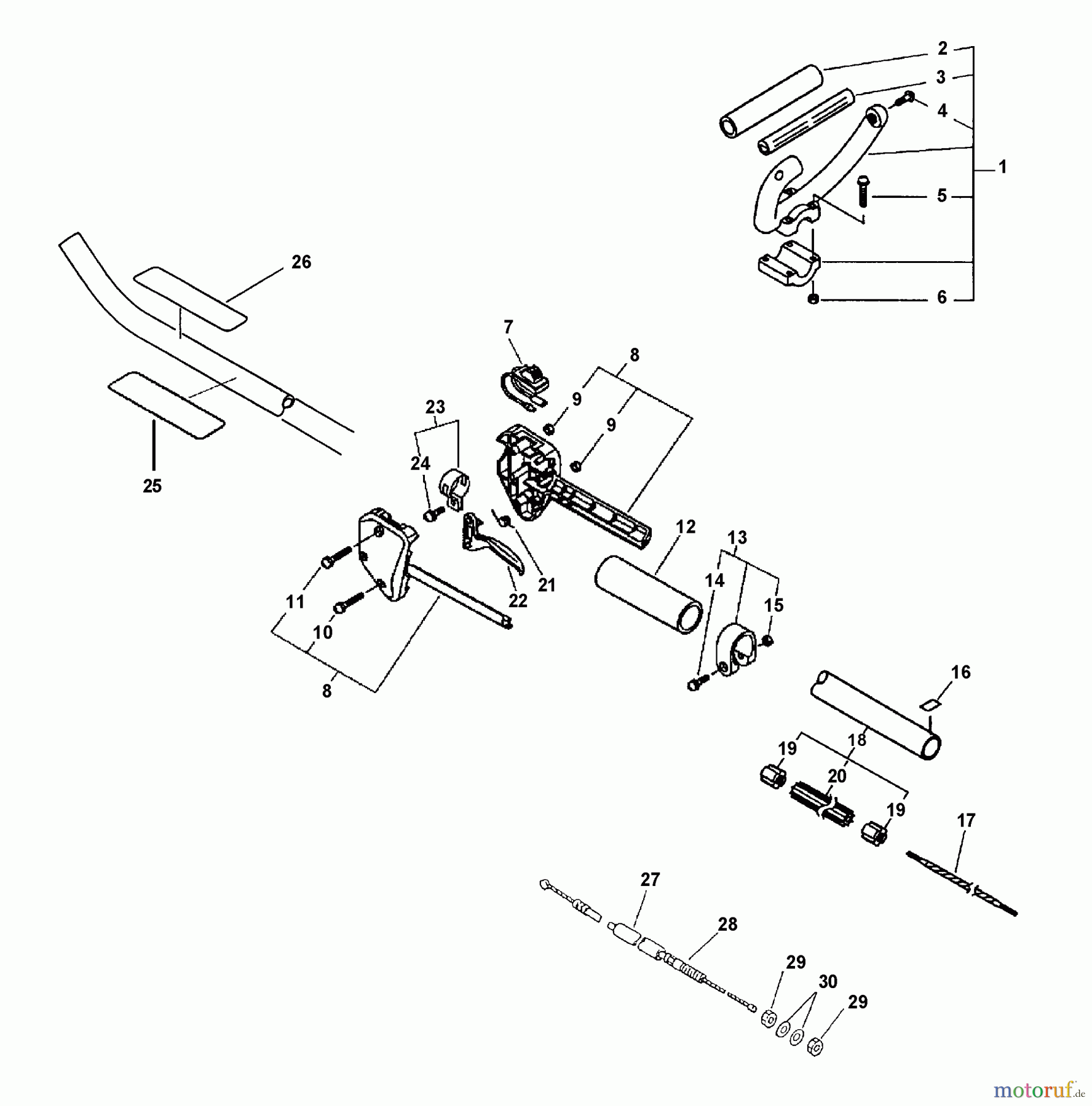
Hier finden Sie die Ersatzteilzeichnung für Echo Kantenschneider PE-3100 - Echo Edger (Type 1E) Driveshaft, Handles, Throttle, Stop Switch. Wählen Sie das benötigte Ersatzteil aus der Ersatzteilliste Ihres Echo Gerätes aus und bestellen Sie einfach online. Viele Echo Ersatzteile halten wir ständig in unserem Lager für Sie bereit.




