Echo PB-400E - Back Pack Blower, Type 1E S/N 001001 & Up Fan, Housings, Switch, Throttle (06/96) Ersatzteile
Fan, Housings, Switch, Throttle (06/96) PB-400E - Echo Back Pack Blower, Type 1E S/N 001001 & Up

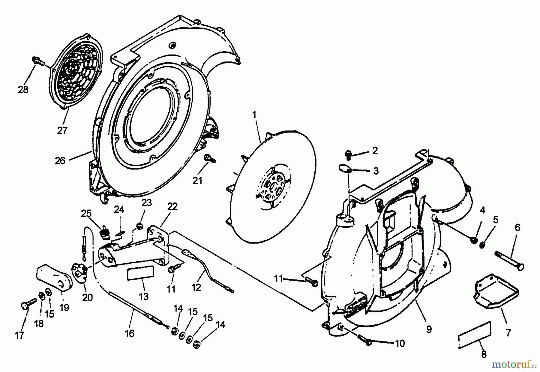
Hier finden Sie die Ersatzteilzeichnung für Echo Bläser / Sauger / Häcksler / Mulchgeräte PB-400E - Echo Back Pack Blower, Type 1E S/N 001001 & Up Fan, Housings, Switch, Throttle (06/96). Wählen Sie das benötigte Ersatzteil aus der Ersatzteilliste Ihres Echo Gerätes aus und bestellen Sie einfach online. Viele Echo Ersatzteile halten wir ständig in unserem Lager für Sie bereit.




