Zurück zu
motoruf
Warenkorb

Ersatzteillisten für Toro Roth / TORO Motor & Hauptrahmen




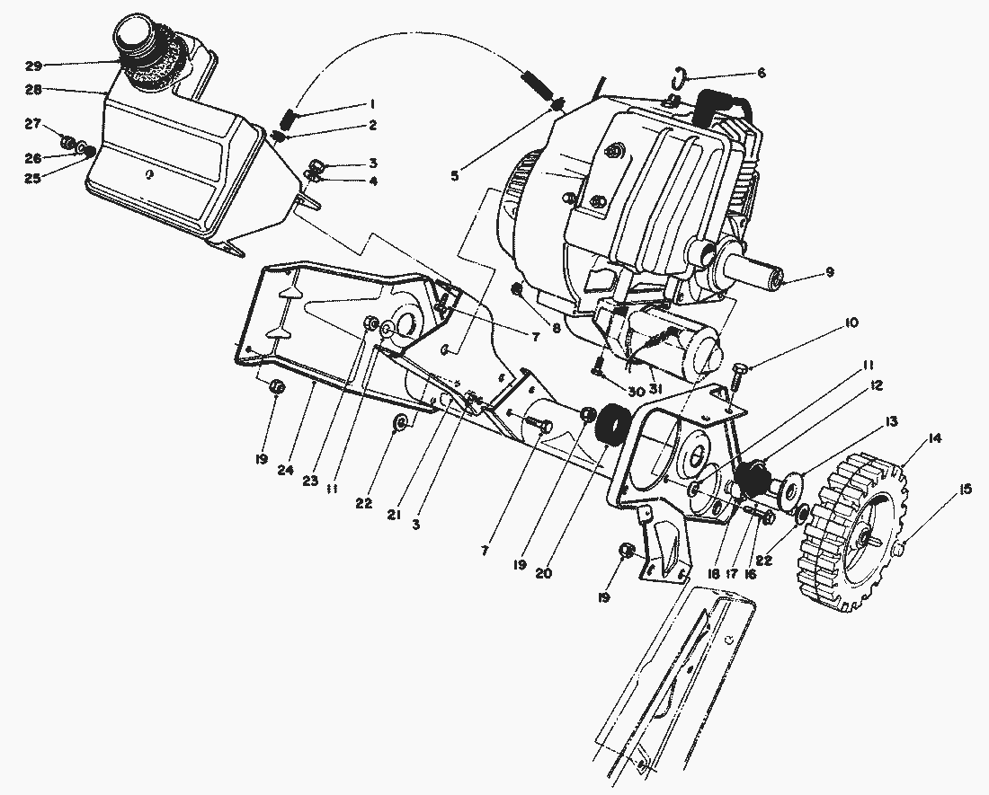
Pos.BezeichnungErsatzteilnummer
Tank-Fuel (Incl. Ref.12-4669
Ersatzteilliste


Pos.BezeichnungErsatzteilnummer
1Fuel Line49-2480
2Clamp2412-86
3MUTTER3296-42
4scheibe3256-22
5Schlauchklemme2412-80
6Kabelband250-4
7Schraube321-4
8Distanzscheibe55-9620
9Engine Assembly62-6721
10Schraube322-3
11Tellerscheibe3290-456
12Halterung55-9460
13Tube-Spacer55-9470
14Rad63-3660
15Sicherungskappe3290-320
16SCHRAUBE81-0570
17Shaft-Axle60-9300
18Radbuchse55-9630
19MUTTER3296-29
20Halterung55-9450
21Support-Recoil55-9070
22Scheibe3256-24
23Mutter81-0300
24Frame Assembly63-3650
25Gummiring237-89
26Scheibe3256-23
27Mutter32152-8
29Dichtung55-9310
30Schraube56-6380
31
Gebrauchsanweisungen
Toro
Impressum
(C) by motoruf