Zurück zu
motoruf
Warenkorb

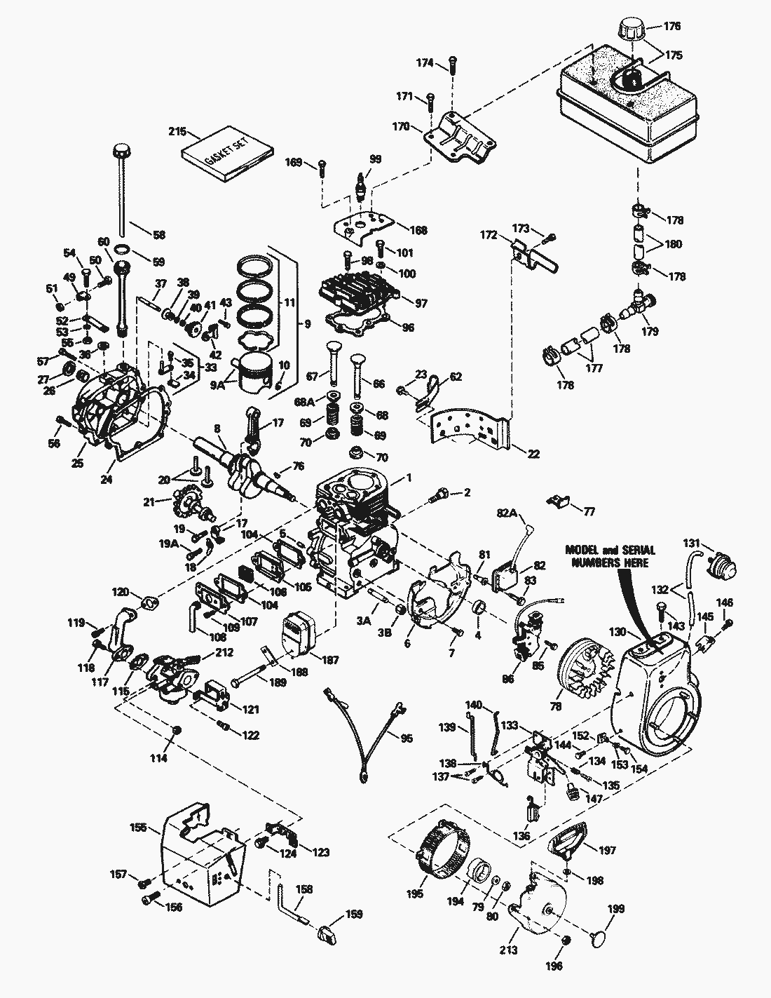
Ersatzteillisten für Toro Roth / TORO Motor Tecumseh (Modell-Nr. HM80-155386P)




Pos.BezeichnungErsatzteilnummer
Piston, Pin & Ring Assy. (Incl. Ref.34553
Cylinder Assy. (lncl. Ref.35385
Valve, Exhaust (Std.) (Incl. Ref.27878A
Piston & Pin Assy. (Incl. Ref.34330A
Connecting Rod Assy. (Incl. Ref.35373A
Valve, Exhaust (1/32 Oversize) (Incl. Ref. #47) 44 52 2_227012 1 38080 Valve, Exhaust (1/32 Oversize) (Incl. Ref.27880A
Piston & Pin Assy. (Incl. Ref.34331A
Piston & Pin Assy. (Incl. Ref.34329A
Piston, Pin & Ring Assy. (Incl. Ref.34554
Rod Assy., Governor (Incl. Ref.30699C
Valve, Intake (1/32 Oversize) (Incl. Ref. #47) 43 50 2_227012 1 38080 Valve, Intake (1/32 Oversize) (Incl. Ref.34036
Valve, Intake (Std.) (Incl. Ref.34035
Gear Assy., Governor (Incl. Ref.35378
Ersatzteilliste


Pos.BezeichnungErsatzteilnummer
2Schraube650820
3Nipple-Pipe34171
3Verschlusskappe s30969
4Simmerring35319
5Haltedorn27652
6Baffle, Blower Housing35326
7Schraube650561
8Kurbelwelle35571
9Kolben Kompl+Ringe34552
10Kolbenbolzensicher.27888
11Ring Set, Piston (Std.)34332
Ring Set, Piston (.010 Oversize)34333
Ring Set, Piston (.020 Oversize)34334
18Oelschleuder35374
19Bolt-Connecting Rod650908
19Screw, Connecting Rod650882
20Ventilstoessel34034
21Nockenwelle35375
22Extension, Blower Housing33273A
23Schraube650128
24Dichtung35262
25Oelwanne35376
26Bushing, Crankshaft35377
27Simmerring35319
34Klemme s30700
35Screw, Fil. Hd.650494
36Ring, Retaining29642
37Reglerachse31845
38Spool, Governor30588A
39Washer-Flat35479
40Sicherungsring29193
42Bracket, Governor Gear33369
43Screw, Hex Washer Hd. Thread Forming650836
49Clamp, Governor Lever29916
50Schraube29826
51Mutter29216
52Hebel33454
53Lockwasher, E.T.29918
54Screw, Hex Washer Hd.650548
55Locknut, Hex30322
56Screw, Hex Washer Hd.650832
57Screw, Hex Washer Hd.650833
58Oelmessstab35555
59O.Ring35499
60Oelrohr35554
62Clip, Fill Tube35540
68Federteller27882
68Seal Assy., Intake Valve34689
69Spring, Valve27881
70Ventilteller32581
76Keil32589
77Klemme29443
78Schwungrad611093
79Washer, Lock650880
80Nut, Flywheel650881
81Stehbolzen650872
82Zuendspule s35135
82Cover, Spark Plug610118
83Schraube650814
85Screw-Hex. Hd.650873
86Lichtspulee611111
95Wire, Ground35253
96Gasket-Cylinder Head34041A
97Head, Cylinder34030
98Screw, Hex Flange Hd.6021A
99Spark Plug, Resistor (Champion RJ-19LM)35395
100Washer, Flat650691
101Screw, Special Hex Hd. Tapped650727
104Gasket-Breather27896A
105Ventildeckeleinsatz28423
106Filter28424
107Entluefterdeckel28425
108Entlueftungsschlauch35350
109Schraube650128
114Nut & Lockwasher29752
115Dichtung33263
117Pipe, Intake33877
118Screw, Fil. Hd.30088A
119Schraube650378
120Gasket-Intake Pipe27915A
Gebrauchsanweisungen
Toro
Impressum
(C) by motoruf