Zurück zu
>
Roth / TORO
>
Handgeräte
>
Schneefräsen
>
einstufig
>
CCR 3000
>
642/38435
>
9900001
>
Motor (Modell-Nr. 38430)
Ersatzteillisten für Toro Roth / TORO Motor (Modell-Nr. 38430)
Ersatzteilliste 1
Ersatzteilliste 2
Ersatzteilliste 3
Ersatzteilliste 4
Ersatzteilliste 5
Ersatzteilliste 6
Pos.
Bezeichnung
Ersatzteilnummer
1
Zylinder U.Kurbelgehaeuse
95-7933
2
KOLBENRINGSATZ
81-0590
3
SICHERUNG
81-0620
4
KOLBENBOLZEN
81-0600
5
KOLBEN
81-2140
6
SIMMERRING
81-0720
7
SCHEIBE
81-0710
8
LAGER
81-0690
9
Kurbelwelle
81-5700
10
SCHRAUBE
81-0540
11
REGLERRING
81-0770
12
REGLERHALTER
81-0750
13
LAGER
81-0700
14
SCHEIBE
81-0730
15
SIMMERRING
81-0740
16
STIFT
81-0760
17
PLEUELLAGER
81-0610
18
STIFT
81-0520
19
SCHRAUBE
81-0570
Shortblock
95-7912
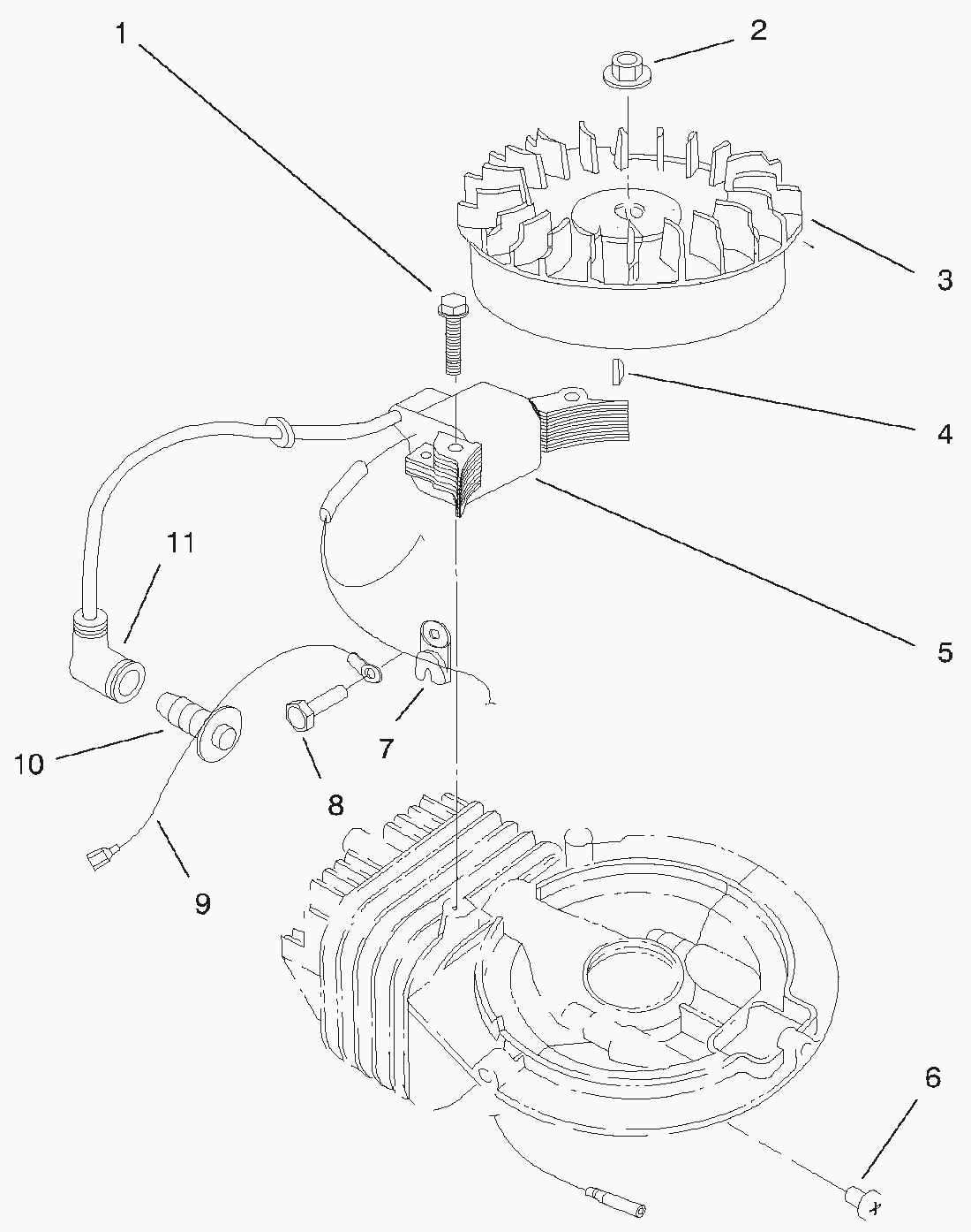
Pos.
Bezeichnung
Ersatzteilnummer
1
Schraube
81-5710
2
MUTTER
81-1330
3
Schwungrad
81-0320
4
KEIL
81-2370
5
Zuendspule
94-8890
6
Schraube
81-0380
7
KLEMME
81-1480
8
SCHRAUBE
53-1340
9
Wire-Ground
81-2860
10
ZUENDKERZE
50-1170
11
ZUENDKERZENSTECKER
81-1500
Pos.
Bezeichnung
Ersatzteilnummer
1
Distanzscheibe
55-9620
2
STARTERFEDER INCL.HALTER
81-1200
3
Rope
81-2870
4
STARTERGRIFF M.SEILKLEMME
81-1630
5
FEDER
81-1220
6
STARTERGRIFF M.SEILKLEMME
81-5760
7
MITNEHMER
81-1230
8
SCHRAUBE
81-1260
9
SCHRAUBE
53-1340
10
Lueftergehaeuse
81-0310
11
STARTERGLOCKE
81-1290
12
SCHRAUBE
81-1300
13
MITNEHMERGEHAEUSE
81-1250
14
FEDER
81-1240
15
SEILSCHEIBE
81-1210
16
STARTERFEDER INCL.HALTER
81-1640
17
Startergehaeuse
81-0290
18
Bolt
81-0390
19
Mutter
81-0300
20
STARTERFEDER INCL.HALTER
81-2300
RUECKLAUFSTARTER KPL.
81-0280
Pos.
Bezeichnung
Ersatzteilnummer
1
Reglerwelle
81-2880
2
Screw
81-2890
3
SCHRAUBE
81-0540
4
Feder
81-2900
5
Bracket-Governor Spring
81-0370
6
SIMMERRING
81-0850
7
SCHEIBE
81-0860
8
SPRENGRING
81-0870
9
MUTTER
81-0900
10
Reglerfeder
81-0360
11
Arm-Governor
81-0410
12
Gestaenge
81-0430
13
Feder
81-0440
Pos.
Bezeichnung
Ersatzteilnummer
1
Screw
81-0450
2
Spitcup
81-2700
3
Screw
81-2710
4
Starterklappe
81-2720
5
Welle F.Starterklappe
81-2910
6
Buechse
81-5530
7
Ring
81-5520
8
Schokwelle
81-5510
9
Shaft-Throttle
81-2920
10
Jet-Pilot
95-7941
11
Valve-Throttle
81-2940
13
Zwischenflansch
81-0460
14
Bolt
50-6350
15
Ansaugstutzen
81-0470
16
Gasket-Carburetor
81-2570
17
Stellschraube
95-7937
18
Kappe
95-7938
19
Feder
81-2580
20
Feder
81-2590
21
Hauptduese
95-7936
22
Duese
81-1040
23
Hauptduese
95-7940
24
Stift
81-2600
25
Feder
95-7939
26
Schwimmer
81-4920
27
SCHWIMMERTOPFDICHTUNG
81-2630
28
SCHWIMMERKAPPE
81-2640
29
Dichtung
81-2650
30
Schraube
81-2660
31
Buechse
81-4930
32
Schwimmernadel
81-4700
33
Needle & Seal Kit (Incl. Valve Seat & Ref.
81-5820
34
Schraube
81-2670
35
Dichtung
81-2680
Vergaser Kpl.
95-7935
Pos.
Bezeichnung
Ersatzteilnummer
1
DICHTUNG
81-1080
2
Auspuff
81-0490
3
Stehbolzen
81-0500
4
FEDERRING
81-1120
5
SECHSKANTMUTTER
81-1110
Gebrauchsanweisungen
Toro
Roth / TORO
Aufsitzmäher
Handgeräte
Kehrmaschinen
Schneefräsen
Zubehör
zweistufig
einstufig
Snow Commander
CCR 3650 GTS
CCR 3000
643/38437
643/38436
642/38435
9900001
Motor (Modell-Nr. 38430)
Holm
Abdeckung
Motor & Kraftstofftank
Rotor
Auswurf & Abdeckung
Seitenwand & Spannrolle
Trommelgehäuse
8900001
7900001
642/38433
642/38431
CCR 2450
CCR 2400
CCR 2000
CR 1000
CR 20
CR 20 R
S 620
S 200
CCR Powerlite
Sauger/Bläser
Rasenmäher
Robin
Impressum
(C) by motoruf