Zurück zu
>
Roth / TORO
>
Handgeräte
>
Rasenmäher
>
Akku
>
180/21040
>
7900001
>
Motor, Batterien & Messer
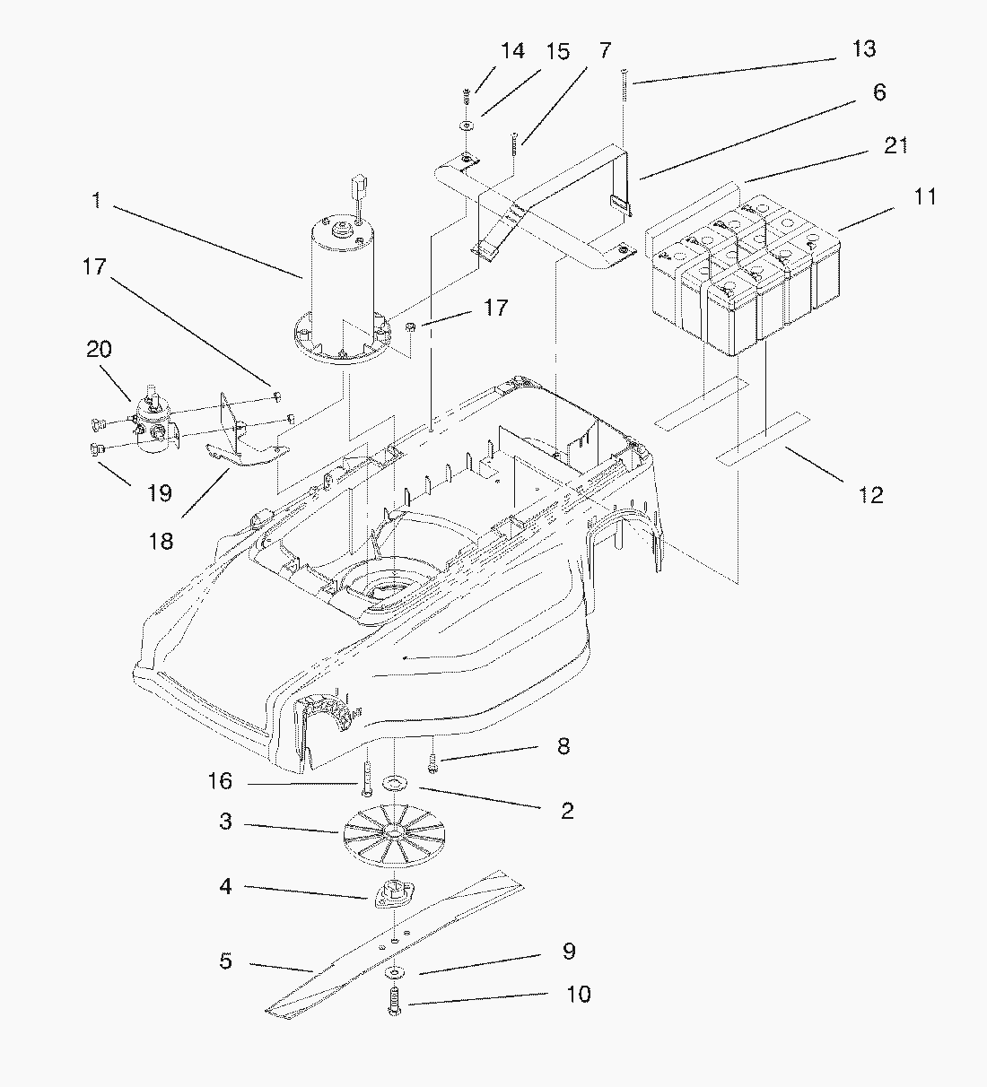
Ersatzteillisten für Toro Roth / TORO Motor, Batterien & Messer
Pos.
Bezeichnung
Ersatzteilnummer
1
ASM-Motor 24 Volt
94-6918
2
Scheibe
93-3342
3
Luefterrad
93-3340
4
Messernabe
93-3341
5
Blade
93-3953
6
Batteriehalterung
95-5026
7
Schraube
32144-8
8
Screw-HWHTF
32144-44
9
Scheibe
3290-340
10
Messerschraube
93-3987
11
Batterie F. Akkumaeher
95-5163
12
Tape-Foam
94-1197
13
Schraube
93-3986
14
Schraube
94-4496
15
Scheibe
3256-49
16
Schraube
32144-110
17
STOPMUTTER
3296-56
18
Bracket-Solenoid
95-3027
19
Schraube
3234-26
20
Magnetschalter
95-3255
21
Distanzklotz
95-5180
Gebrauchsanweisungen
Toro
Roth / TORO
Aufsitzmäher
Handgeräte
Kehrmaschinen
Schneefräsen
Sauger/Bläser
Rasenmäher
Grasfangvorrichtungen
4-Takt Radantrieb
4-Takt
2-Takt Radantrieb
2-Takt
Elektro
Akku
180/21040
200000001
8900001
7900001
Schaltplan, Leitung & Seitauswurf
Holm & Betätigungen
Abdeckung & Mulchstopfen
Motor, Batterien & Messer
Gehäuse & Rad
Robin
Impressum
(C) by motoruf