Zurück zu
motoruf
Warenkorb

Ersatzteillisten für Toro Roth / TORO Motor (B&SModell 135202-0263-01)


Ersatzteilliste 1
Ersatzteilliste 2
Ersatzteilliste 3
Ersatzteilliste 4
Ersatzteilliste 5
Ersatzteilliste 6
Ersatzteilliste 7
Ersatzteilliste 8


Pos.BezeichnungErsatzteilnummer
Rod Conn. (.020 U.S.) Pin Bore 54 7_593007 1 62924 Rod Conn. (.020 U.S.) Pin Bore390985
Ring Set, .030 O.S. Piston Consists of: 35 0811A012 1 62912 Ring Set, .030 O.S. Piston Consists of:298985
Piston Assy., .030 O.S. 22 0811A012 1 62912 Piston Assy., .030 O.S.298907
Gasket-Crankcase (.015 Thick, Std.) 12 34 7_593007 1 62924 Gasket-Crankcase (.015 Thick, Std.)270080
Pin Assy., Piston, .005 O.S. 41 0811A012 1 62912 Pin Assy., Piston, .005 O.S.298908
Ring Set, .020 O.S. Piston Consists of: 31 0811A012 1 62912 Ring Set, .020 O.S. Piston Consists of:298984
Ersatzteilliste


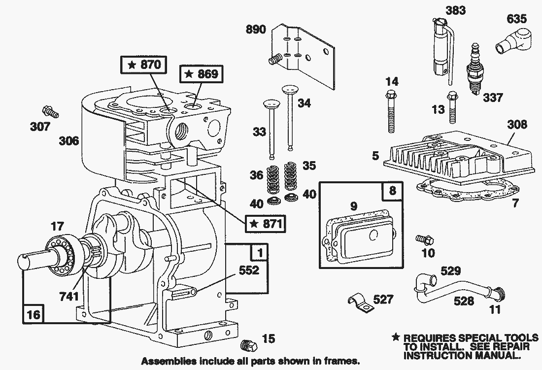
Pos.BezeichnungErsatzteilnummer
1Cylinder Assembly395990
5Head-Cylinder214040
7Gasket-Cylinder Head272157
8Entluefter495774
9Gasket-Breather27549
10Schraube94621
11Grommet, Breather Tube66578
13Zylinderkopfschraube94221
14Schraube94679
15Oelablasstopfen94387
16Crankshaft495845
17Kugellager494874
33Valve, Exhaust211119
34Valve, Intake261044
35Spring, Intake Valve260552
36Spring, Exhaust Valve26478
40Ventilteller93312
307Screw-Hex. Hd.94680
306Shield, Cylinder221511
308Cover-Cylinder Head224738
308Cover-Cylinder Head224740
337Zuendkerze802592
383Wrench-Spark Plug89838
527Bowdenzugklammer223786
528Entlueftungsschlauch231550
529Grommet, Breather Tube67838
552Huelse231079
635Elbow-Spark Plug66538
741Zahnrad F. Laubsauger262992
869Ventilsitz F. Laubsauger211787
870Ventilsitz F. Laubs.211172
871Buechse262001
890Bracket-Mounting496783
Ersatzteilliste


Pos.BezeichnungErsatzteilnummer
Oelwanndendicht270125
Dichtung270126
18Oelwanne494044
19Buechse495660
20Seal, Oil294606
21Plug, Oil Filler66768
22Schraube94682
25Kolben298904
Kolben 0.10 f. Laubs.298905
Kolben 0.20 f. Laubs.298906
26Kolbenringsatz298982
Kolbenringe 0.10 F. Laubs298983
27Kolbenbolzensicherung26026
28Kolbenbolzen298909
29Pleuelstange t299430
30Blech221890
32Screw-Conn. Rod94745
45Ventilstoessel260642
46Nockenwelle212733
219Reglerzahnrad494845
220Scheibe221551
227Reglerhebel490374
230Washer-Gov. Crank222450
562Bolzen92613
592Mutter231082
614Splint93306
615Halter93307
616Crank-Governor231077
1019Label Kit491102
Ersatzteilliste


Pos.BezeichnungErsatzteilnummer
52Gasket-Carb. Mtg.272585
90Vergaser495951
95Schraube93499
96Valve-Throttle223793
97Shaft-Throttle490048
108Starterklappe495949
118Duese231533
124Screw-Elbow Mtg94616
127Plug-Welch220352
127Deckel223789
149Feder26336
152Reglerfeder260575
154Schraube93527
187Leitung231068
202Gestaenge262270
203Buechse280720
205Bolzen231520
392Spring-Diaphragm262328
394Diaphragm-Carburetor272538
432Federteller (10)221377
433Stift93265
434Cover-Diaphragm214021
435Screw, Diaphragm Cover93141
611Benzinleitung391813
634Scheibe271853
679Scheibe270382
680Washer-Brass221839
987Dichtring398970
Ersatzteilliste


Pos.BezeichnungErsatzteilnummer
180Benzintank495405
181Tankdeckel t494559
190Screw-Sem94712
190Screw-Sem94677
191Gasket-Tank Mtg.272489
201Reglergestaenge262280
204Buechse222962
209Reglerfeder262283
216Choke-Gestaenge262359
222Konsole490649
223Lever-Gov. Control223455
224Niete93491
265Clamp, Casing221535
267Screw, Sem93496
353Federring92791
354Nut-Hex.-8-3290576
356Massekabel398808
467Knob280715
520Stecker93722
526Screw-Sem94659
621Switch-Stop396847
916Adapter280324
971Screw-Hex93572
985Insulator Assembly398525
1012Gestaengefuehrung490507
1049Support-Control224728
414Washer220982
414Scheibe221198
971Screw-Hex. Hd.94018
985Halter223814
Ersatzteilliste


Pos.BezeichnungErsatzteilnummer
81Sicherungsblech222263
163Gasket-Air Cleaner271139
163Gasket-Air Cleaner272631
166Stud-Air Cleaner231819
300Muffler-Exhaust393615
346Schraube93705
445Filter-Air396424
446Base-Air Cleaner222844
467Knob-Air Cleaner493903
535Filterelement top271466
613Screw93935
642Luftfilterdeckel493822
676Deflektor395700
852Luftfilter396397
855Adapter-Air Cleaner281189
Ersatzteilliste


Pos.BezeichnungErsatzteilnummer
55Housing-Rewind Starter494846
56Seilscheibe top493824
57Spring-Rewind Starter262594
58STARTERSEIL3X2140 B&S280406
59Insert-Rewind Handle224467
60Startergriff494212
65Screw-Housing Mtg.94686
69Scheibe280973
69Scheibe224322
373Nut-Hex.92987
456Retainer-Rewind-Starter224321
459Starterklinke Mit Feder492833
461Pin-Starter262626
515Feder262625
608Ruecklaufstarter495766
1016Deckel224278
Ersatzteilliste


Pos.BezeichnungErsatzteilnummer
2Bushing399268
3Seal-Oil299819
23Flywheel, Magneto297229
24Key-Flywheel222698
37Schwungradabdeckung222443
73Screen-Rotating224632
200Luftleitblech223886
304Lueftergehaeuse F. Laubs495759
305Screw-Hex. Washer Hd.94786
332Nut-Flywheel92284
333Zuendspule397358
334Screw, Armature Mtg. Sem93414
363Schwungradabzieher19069
455Starterglocke224250
851Terminal-Ignition Cable221798
Ersatzteilliste


Pos.BezeichnungErsatzteilnummer
121Vergaser-Reparatursatz495606
358Dichtungssatz495603
Gebrauchsanweisungen
Toro
Impressum
(C) by motoruf