Zurück zu
>
Roth / TORO
>
Handgeräte
>
Schneefräsen
>
zweistufig
>
622
>
624/38063
>
7900001
>
Antrieb
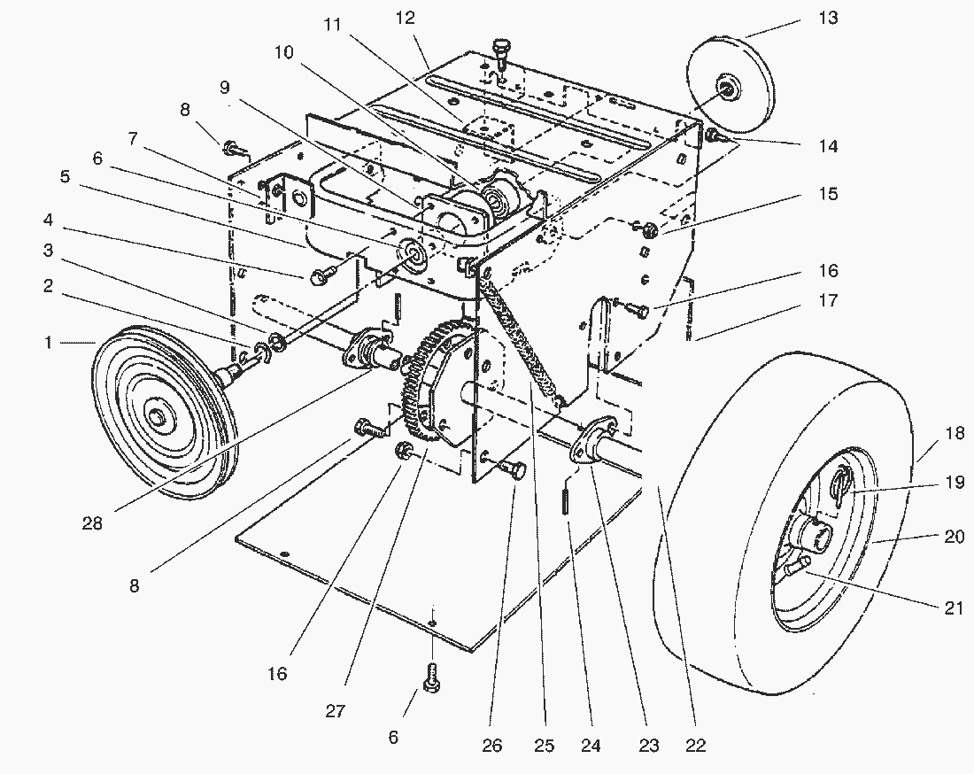
Ersatzteillisten für Toro Roth / TORO Antrieb
Pos.
Bezeichnung
Ersatzteilnummer
1
Riemenscheibe Mit Welle
88-0850
2
Ring-Snap
32151-103
3
Scheibe
252-80
4
Schraube
12-3270
5
Frame-Friction Plate
88-0550
6
Buechse
256-322
7
Mount-Clutch Rod Front
66-6790
8
Schraube
32144-70
9
Platte
88-0560
10
Kugellager
38-7820
11
Mount-Clutch Rod Rear
37-9070
12
Rahmen
37-8900-01
13
Reibscheibe
38-0800
14
Schraube
37-8770
15
MUTTER
3296-29
16
Schraube
32144-4
17
Abdeckplatte
37-6830-01
18
Reifen
231-120
19
Stift
3290-243
20
Felge
241-131
21
Schlauch 14x4.00-6
232-46
22
Antriebsachse
74-1350
23
Lagergehaeuse
37-6850
24
Spannstift
32121-31
25
Spring-Friction Plate Frame
37-8870
26
Schraube
322-2
27
Axle Gear
37-6520
28
Scheibe
3-8664
Gebrauchsanweisungen
Toro
Roth / TORO
Aufsitzmäher
Handgeräte
Kehrmaschinen
Schneefräsen
Zubehör
zweistufig
1332 PowerShift
1232 PowerShift
1132 PowerShift
1132
1028 PowerShift
924 PowerShift
828 PowerShift
824 PowerShift
824 XL
824
724
624 PowerShift
622
624/38063
220000001
210000001
200000001
9900001
8900001
7900001
Starter Nr. 590742 (wahlw.)
Vergaser Nr. 632379A
Elektrostarter Nr. 38-7590 (wahlw.)
Starter Nr. 590707
Motor Tecumseh (Modell HSK60-76008B)
Holm links
Holm rechts
Antrieb
Antrieb (Fortsetzung)
Motor
Trommel (Fortsetzung)
Trommel
000000001
521
3521
einstufig
Sauger/Bläser
Rasenmäher
Robin
Impressum
(C) by motoruf