Turbo Silent TS 45 BR-B 12C-T78M667 (2003) Ersatzteile
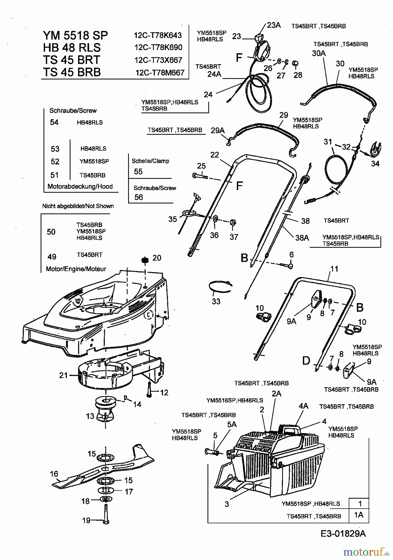
SCHALTZUG vollst. L2=1400 -T-
Artikel Nummer:
746-1060
BildNr:
31
DINNORM:
GW-HOLM
Bemerkung:
incl.Ref.32
Modell BJ:
HB 48 RLS / 2003 TS 45 BR-B / 2003 TS 45 BR-T / 2003 YM 5518 SP / 2003
30.68 €
für EU incl. MwSt., zzgl. Versand
Der Artikel wurde in den Einkaufswagen gelegt!
Wird für Sie bestellt: Lieferzeit ca. 5 bis 14 Werktage.
Hier finden Sie die Ersatzteilzeichnung für Turbo Silent Motormäher mit Antrieb TS 45 BR-B 12C-T78M667 (2003) Grundgerät. Wählen Sie das benötigte Ersatzteil aus der Ersatzteilliste Ihres Turbo Silent Gerätes aus und bestellen Sie einfach online. Viele Turbo Silent Ersatzteile halten wir ständig in unserem Lager für Sie bereit.
Häufig benötigte Turbo Silent TS 45 BR-B 12C-T78M667 (2003) Ersatzteile

Artikelnummer: 742-04026
Suche nach: 742-04026
Hersteller: MTD
Turbo Silent Ersatzteil 12C-T78M667 (2003)
Suche nach: 742-04026
Hersteller: MTD
Turbo Silent Ersatzteil 12C-T78M667 (2003)
26.52 €
für EU incl. MwSt., zzgl. Versand


















