Zurück zu
motoruf
Warenkorb

Ersatzteillisten für Toro Roth / TORO Motor




Ersatzteilliste


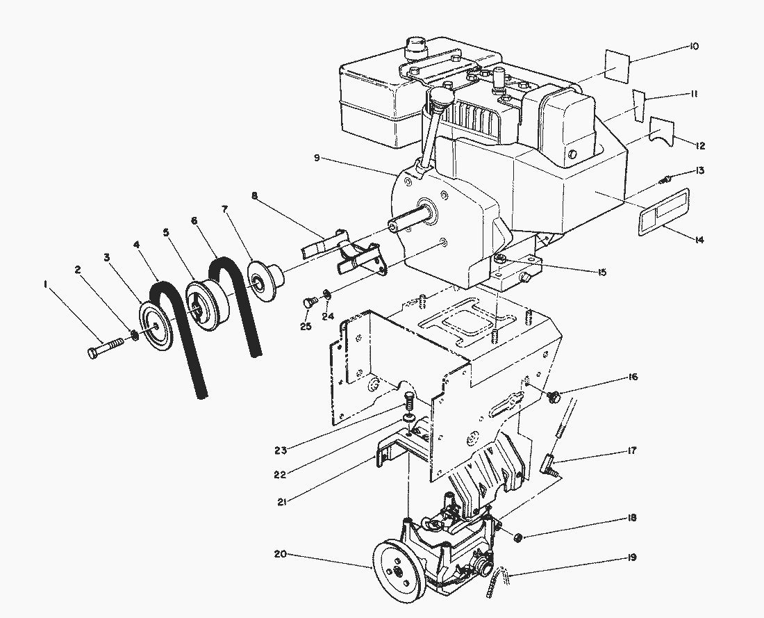
Pos.BezeichnungErsatzteilnummer
1Schraube3212-8
2Federring3253-6
3Riemenscheiben-Haelfte62-0940
4Keilriemen63-2962
5Riemenscheibe62-0930
6Keilriemen63-2951
7Nabe62-0920
8Guide-Belt68-7510
9
10Klebeschild62-5760
11Klebeschild63-3190
12Klebeschild63-2410
13Schraube32144-4
14Klebeschild63-2310
15Mutter32128-20
16Schraube3234-7
17Kugelgelenk63-2640
18Mutter3296-39
19Kette63-2930
20Getriebe F.Schneefraese66-8030
21Frame-Transmission63-2990
22Washer-Belleville3290-461
23Schraube11-0590
24Federring3253-4
25Schraube3210-1
Gebrauchsanweisungen
Toro
Impressum
(C) by motoruf