Zurück zu
>
Roth / TORO
>
Handgeräte
>
Schneefräsen
>
einstufig
>
CCR 3000
>
643/38436
>
7900001
>
Gehäuse
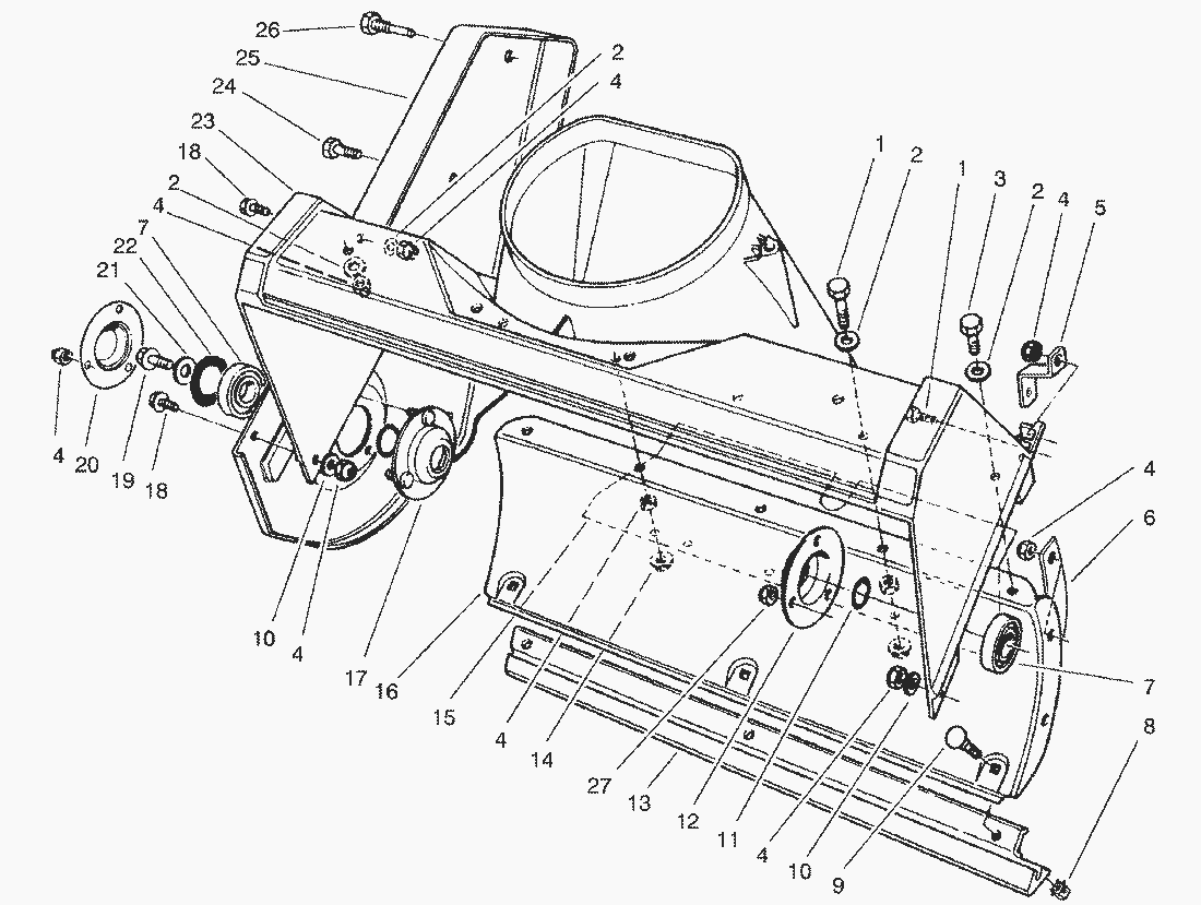
Ersatzteillisten für Toro Roth / TORO Gehäuse
Pos.
Bezeichnung
Ersatzteilnummer
1
Schraube
321-6
2
scheibe
3256-22
3
Schraube
321-4
4
MUTTER
3296-42
5
Halter
55-9430
6
Gehaeusehalterung
56-2610
7
Kugellager
38-7820
8
Mutter
32149-2
9
Schraube
3229-11
10
Scheibe
3256-67
11
Scheibe
52-7280
12
Lagerschale
38-8620
13
Schuerfleiste
55-8760
14
Hutmutter
32128-10
15
Bodendeckel
55-9512
16
Housing-Lower
55-9220
17
Lagerdeckel
52-9110
18
Schraube
32105-15
19
Screw-Cap Hex Flange
3234-25
20
Retainer-Bearing
52-7290
21
Scheibe
3256-24
22
Washer-Rubber
52-7270
23
Gehaeuse
55-8700
24
Schraube
322-43
25
Sideplate-R.H.
55-8840
26
Bolzen
38-8211
27
Mutter
3296-2
Gebrauchsanweisungen
Toro
Roth / TORO
Aufsitzmäher
Handgeräte
Kehrmaschinen
Schneefräsen
Zubehör
zweistufig
einstufig
Snow Commander
CCR 3650 GTS
CCR 3000
643/38437
643/38436
8900001
7900001
Motor (Fortsetzung)
Motor (Modell-Nr. 47PT6-5)
Holm
StarterMotor & Schalter Gehäuse
Betätigung, Paneele & Abdeckung
Motor & Hauptrahmen
Rotor
Grassauswurf
Antrieb
Gehäuse
642/38435
642/38433
642/38431
CCR 2450
CCR 2400
CCR 2000
CR 1000
CR 20
CR 20 R
S 620
S 200
CCR Powerlite
Sauger/Bläser
Rasenmäher
Robin
Impressum
(C) by motoruf